GM Service Manual Online
For 1990-2009 cars only
Makes
🢒
Chevrolet
🢒
2007
🢒
Silverado - 2WD
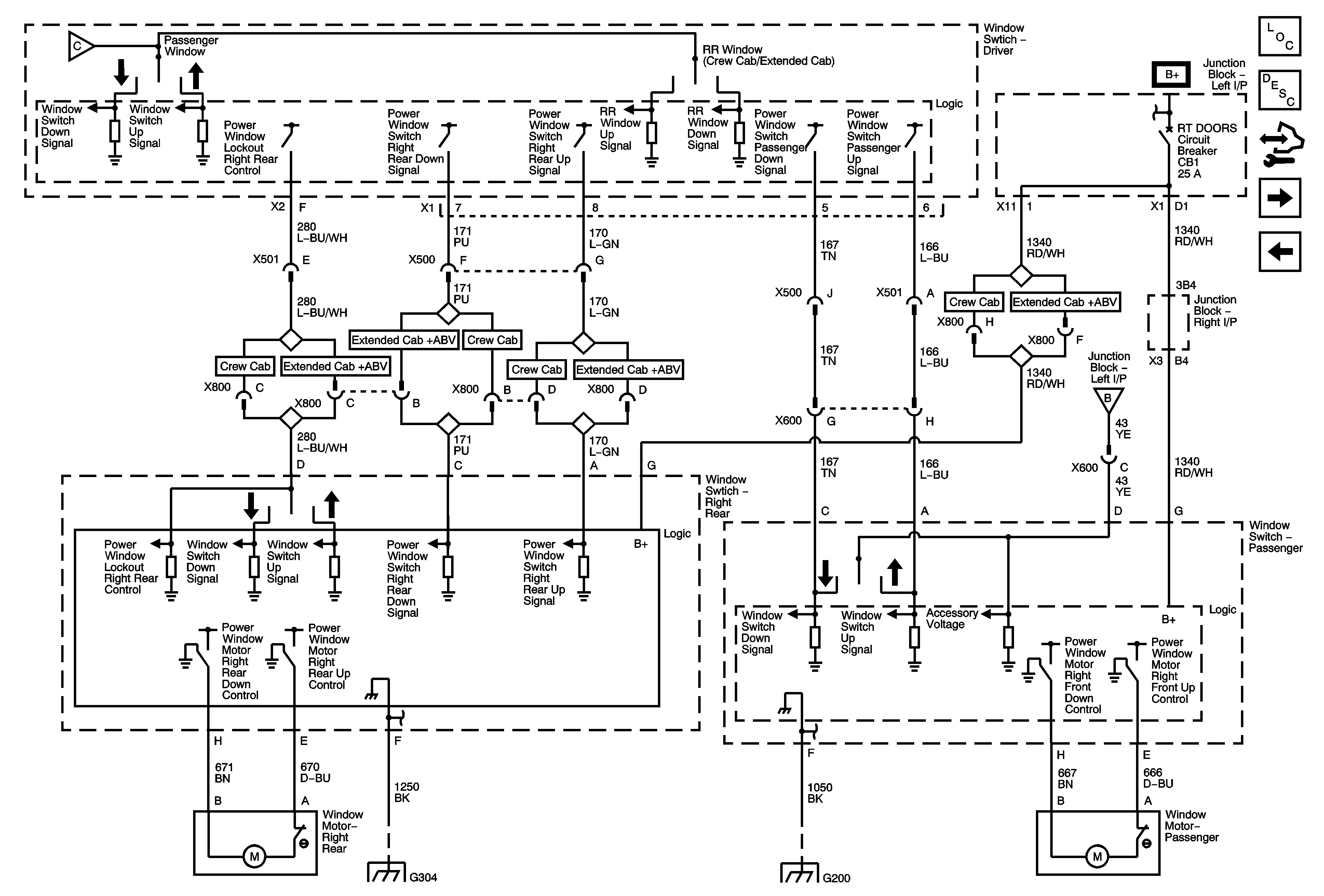
🢒 Right Doors Except AN3/DL3
Right Doors Except AN3/DL3
Right Doors (except AN3/DL3)
Master Electrical Component List
Power Windows Description and Operation (Side Windows)
Control Module References
Sliding Rear Window (A48)
Left Doors Except AN3/DL3
Left Doors Except AN3/DL3
MBEC 1 Fuse and DRIVER SEAT 2, PASS SEAT 1, PWR REAR WNDW and RT DOORS Circuit Breakers
Left Doors Except AN3/DL3
G303, G304, G305 and G307
G200 1 of 2