GM Service Manual Online
For 1990-2009 cars only
Makes
🢒
Chevrolet
🢒
2007
🢒
Silverado - 2WD
🢒 Imobilizer Schematics
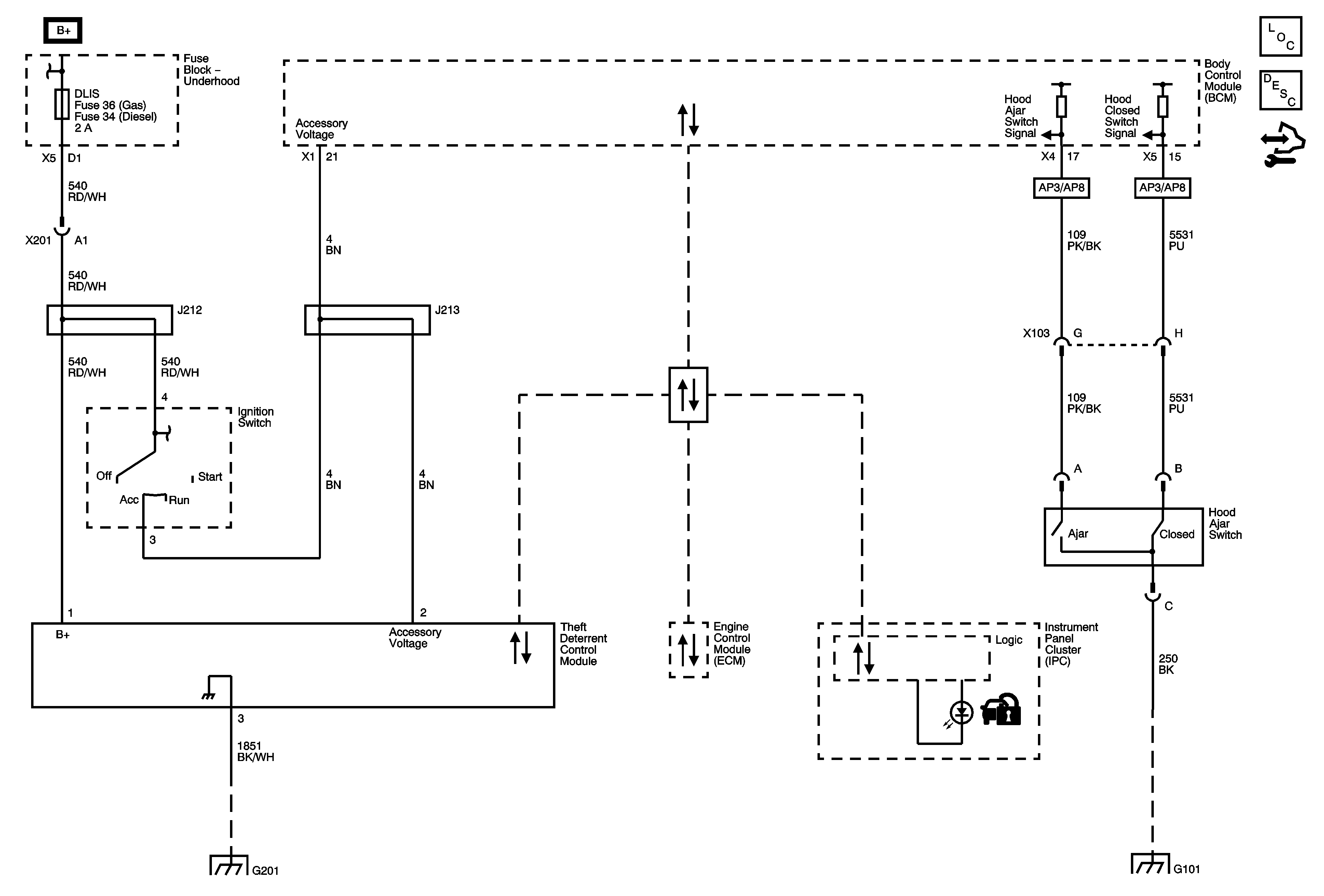
Imobilizer Schematics
Master Electrical Component List
Immobilizer Description and Operation
Control Module References
DLIS Fuse and Ignition Switch
G201 2 of 2
G101