GM Service Manual Online
For 1990-2009 cars only
Makes
🢒
Chevrolet
🢒
2007
🢒
Silverado - 2WD
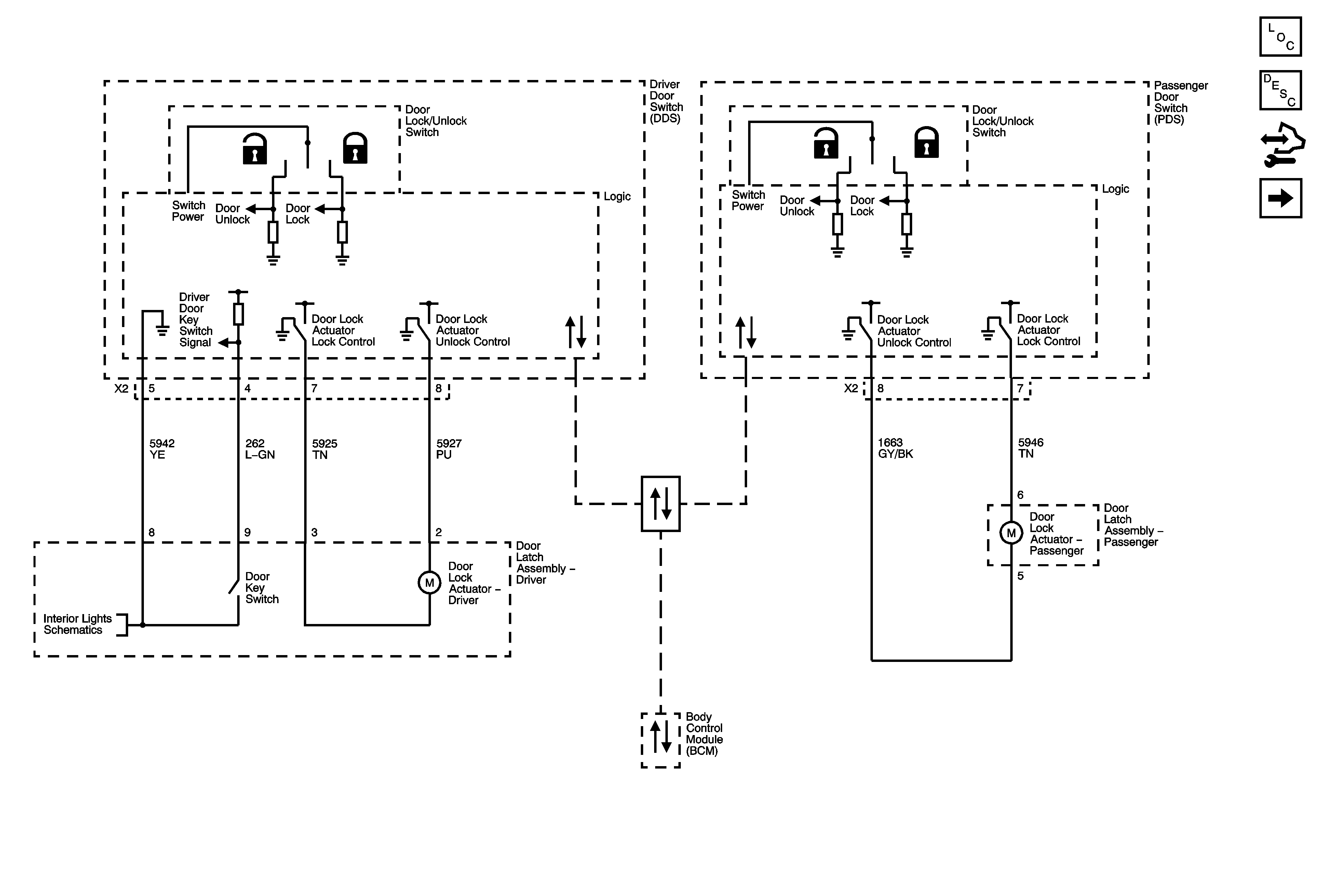
🢒 Door Lock Controls and Front Door Locks AN3/DL3
Door Lock Controls and Front Door Locks AN3/DL3
Door Lock Controls and Front Door Locks (AN3/DL3)
Master Electrical Component List
Door Ajar Indicator Description and Operation (w/AN3)
Control Module References
Rear Door Locks Crew Cab +AN3
Low Speed Bus - 1 of 3
Door Jamb Switches AN3/DL3