GM Service Manual Online
For 1990-2009 cars only
Makes
🢒
Chevrolet
🢒
2007
🢒
Silverado - 2WD
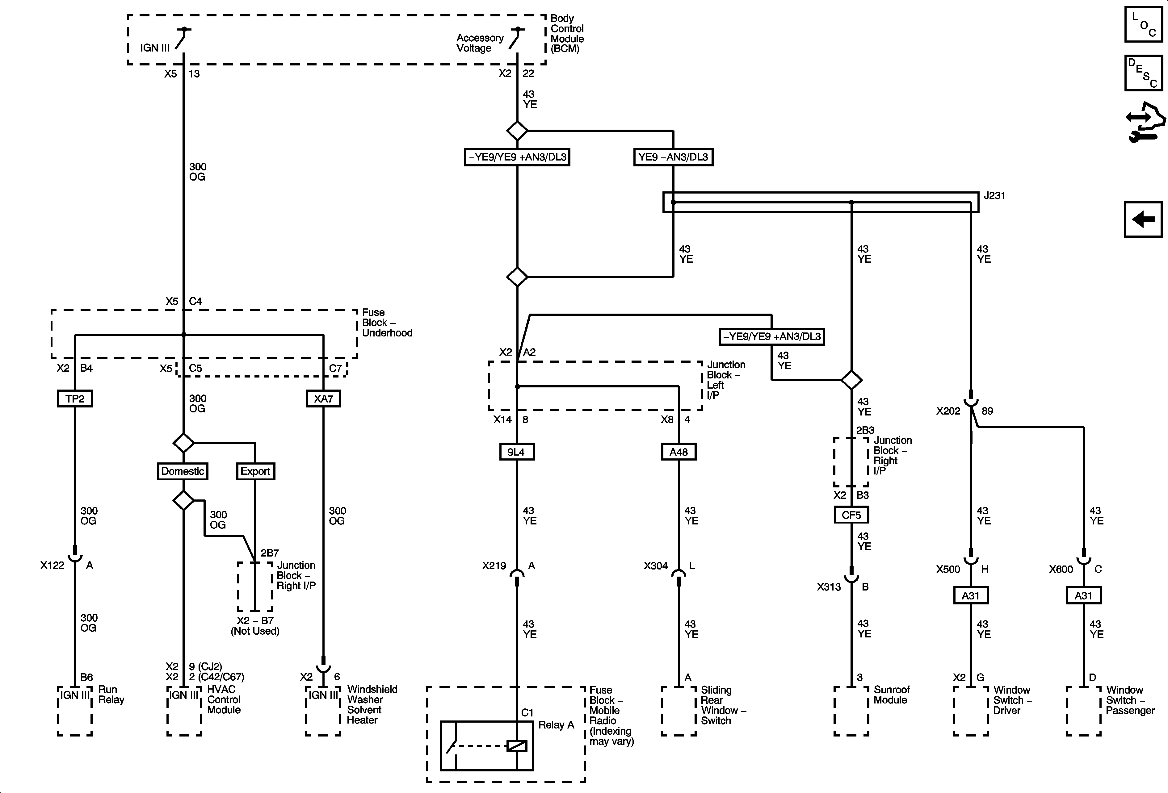
🢒 Ignition III Voltage and Accessory Voltage
Ignition III Voltage and Accessory Voltage
Ignition III Voltage and Accessory Voltage
Master Electrical Component List
Power Mode Description and Operation
Control Module References
Serial Data Communication Enable
Ignition II/III Voltage