GM Service Manual Online
For 1990-2009 cars only
Makes
🢒
Chevrolet
🢒
2007
🢒
Silverado - 2WD
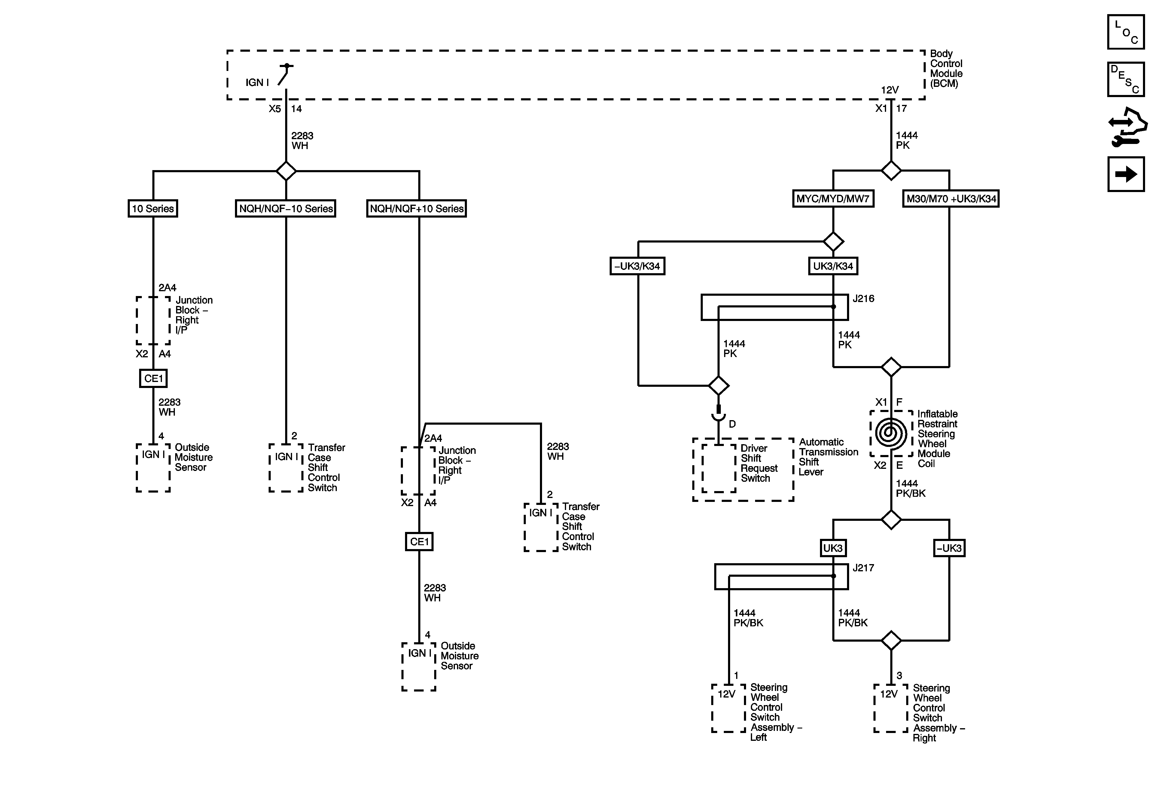
🢒 Ignition I Voltage and 12 Volt Reference
Ignition I Voltage and 12 Volt Reference
Ignition I Voltage and 12-Volt Reference
Master Electrical Component List
Power Mode Description and Operation
Control Module References
Ignition II/III Voltage