GM Service Manual Online
For 1990-2009 cars only
Makes
🢒
Chevrolet
🢒
2007
🢒
Silverado - 2WD
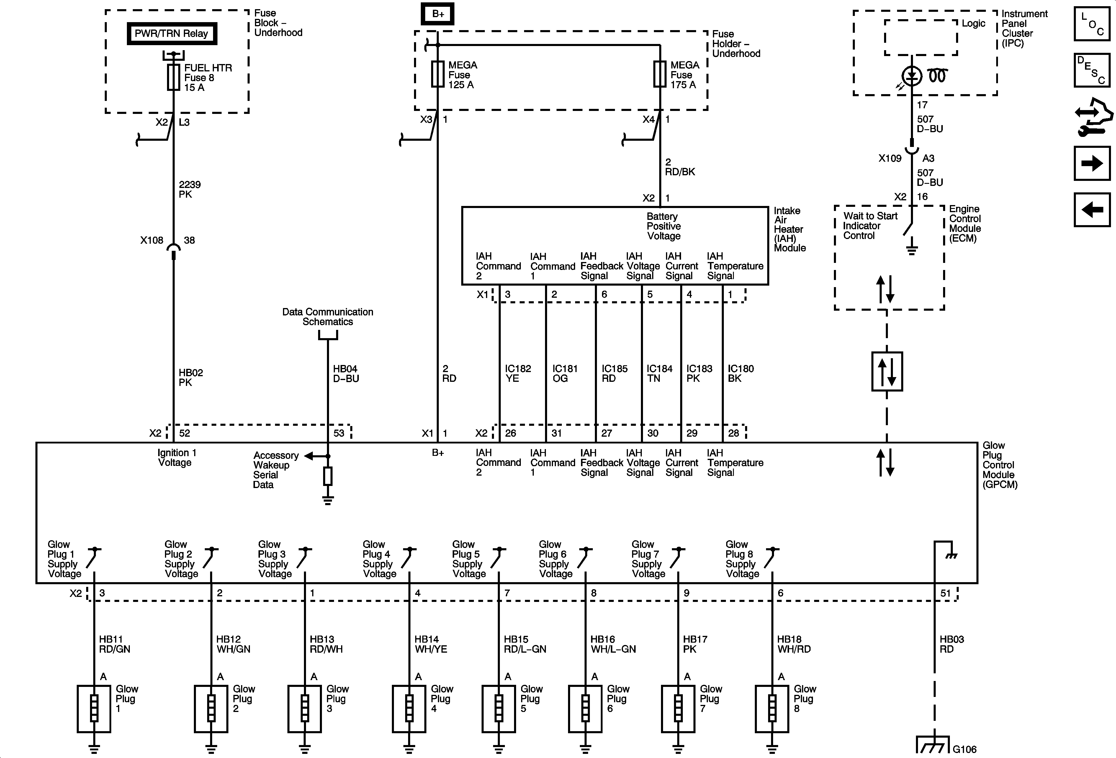
🢒 Engine Data Sensors - Glow Plug Controls and the IAH Module
Engine Data Sensors - Glow Plug Controls and the IAH Module
Engine Data Sensors - Glow Plug Controls and the IAH Module
Master Electrical Component List
Glow Plug System Description
Control Module References
Fuel Controls - Fuel Pump , Temperature and Pressure Controls
Pedal Position and Injector Timing
Module Power, Ground, Serial Data and MIL
PWR/TRN BUS - DSL ECM, FUEL HTR, O2-A SNSR and O2-B SNSR Fuses
Battery Supply
Battery Supply
Accessory Wakeup Serial Data
High Speed Bus - 3 of 3 (Diesel)
G106 (Diesel), G105, G110 and G111