GM Service Manual Online
For 1990-2009 cars only
Makes
🢒
Chevrolet
🢒
2007
🢒
Silverado - 2WD
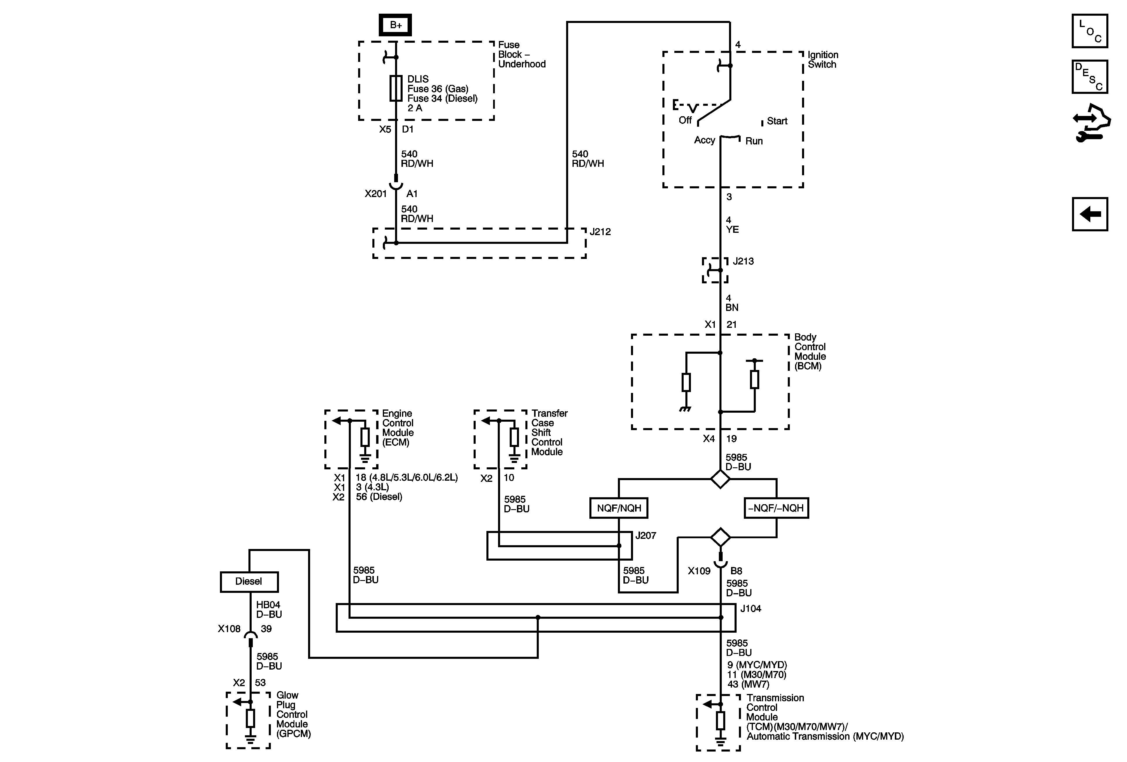
🢒 Accessory Wakeup Serial Data
Accessory Wakeup Serial Data
Accessory Wakeup Serial Data
Master Electrical Component List
Data Link Communications Description and Operation
Control Module References
Serial Data Communication Enable
DLIS Fuse and Ignition Switch