GM Service Manual Online
For 1990-2009 cars only
Makes
🢒
Chevrolet
🢒
2007
🢒
Silverado - 2WD
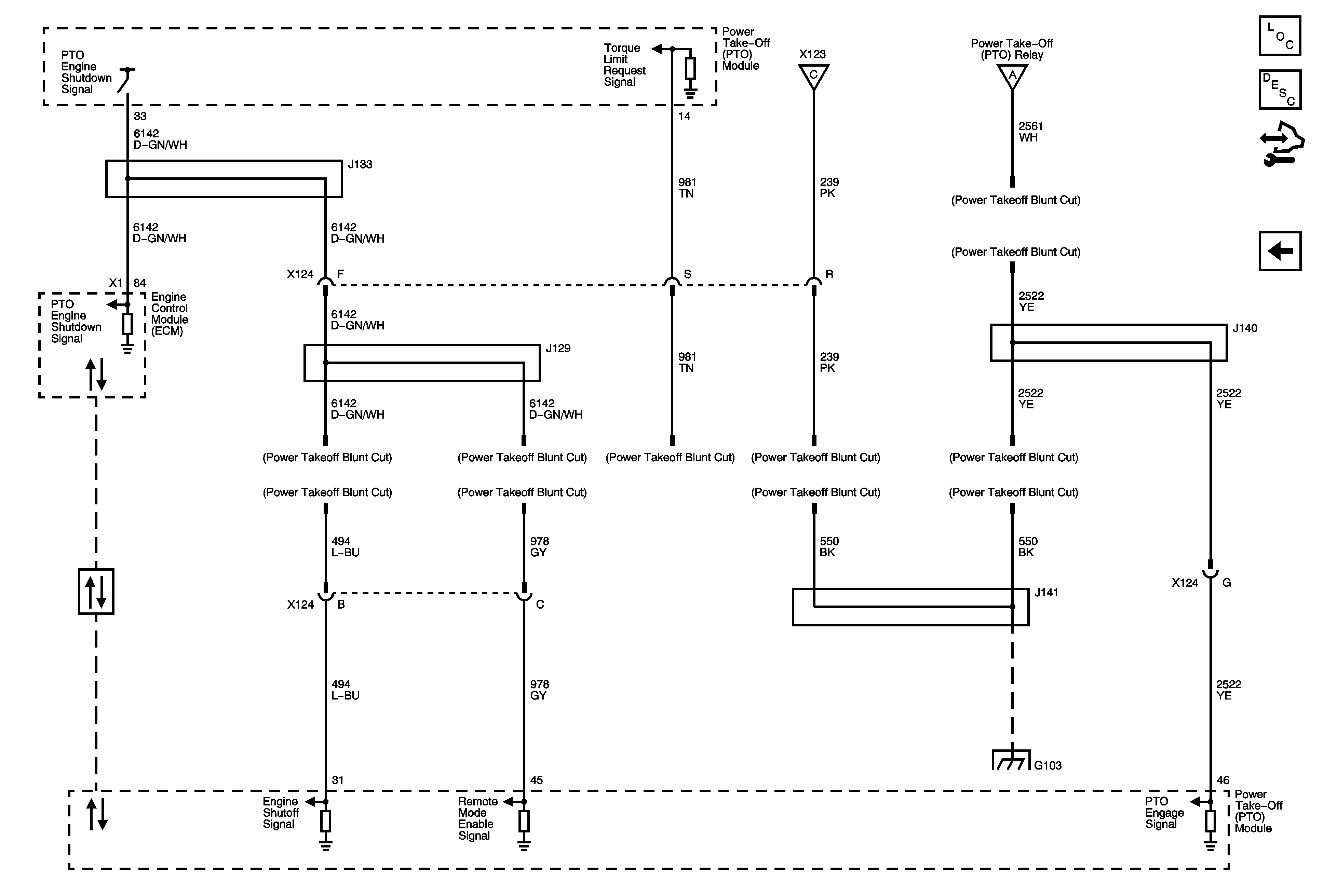
🢒 Wiring Provisions - 2 of 2
Wiring Provisions - 2 of 2
Wiring Provisions - 2 of 2
Master Electrical Component List
Power Take-Off (PTO) Description and Operation
Control Module References
Wiring Provisions - 1 of 2
G106 (4.3L) and G103
Switch Controls
Switch Controls
High Speed Bus - 3 of 3 (Diesel)