GM Service Manual Online
For 1990-2009 cars only
Makes
🢒
Chevrolet
🢒
2007
🢒
Silverado - 2WD
🢒 Switch Controls
Switch Controls
Switch Controls
Master Electrical Component List
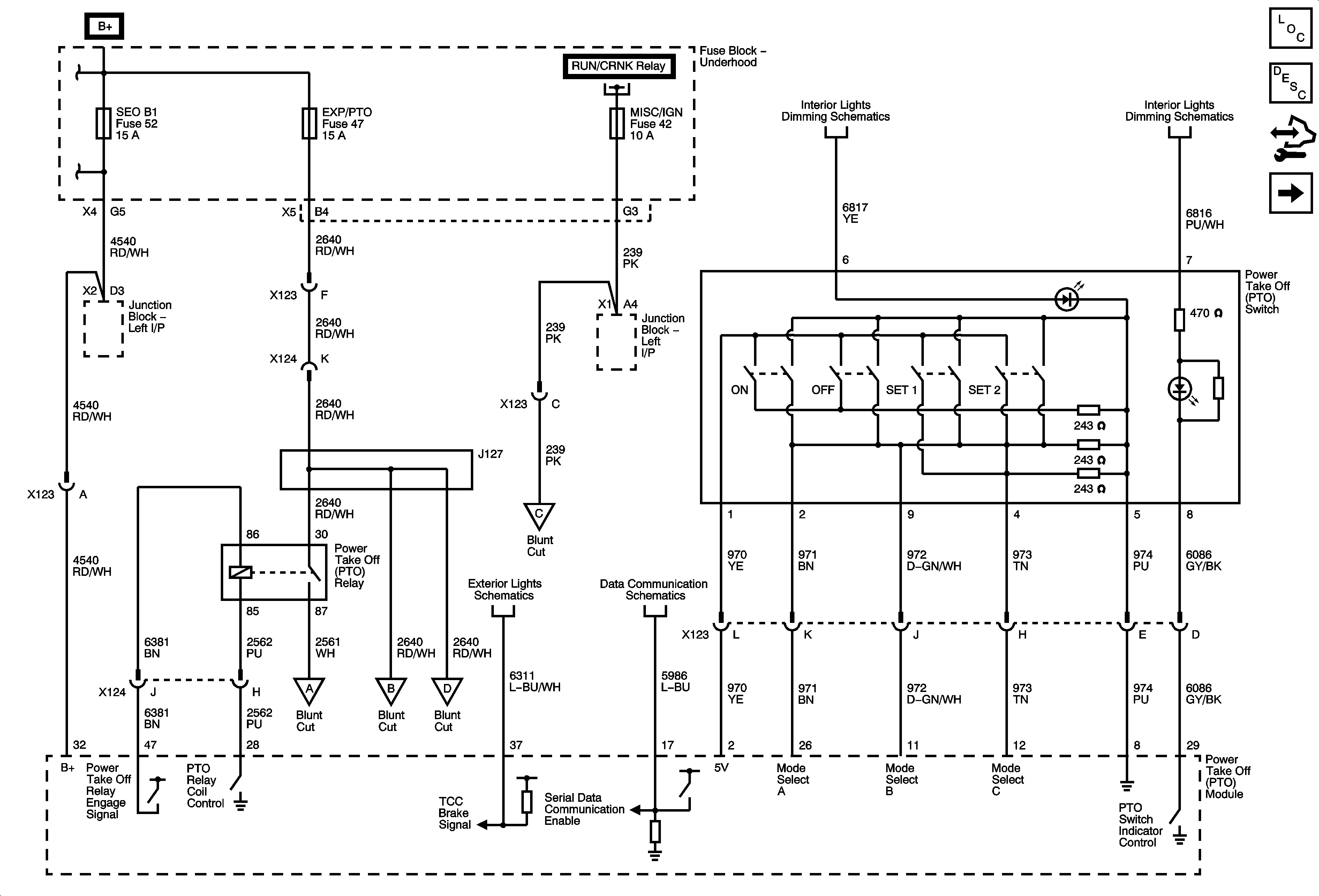
Power Take-Off (PTO) Description and Operation
Control Module References
Wiring Provisions - 1 of 2
AIRBAG BATT, ALC COMP, EAP, LGM, SEO B1 and SEO B2 Fuses
AMP, ELEC RUN BOARD, ESC/ALC EXH, EXP/PTO, INFOTMNT, and TREC Fuses
Ignition II/III Voltage
RUN/CRANK BUS - AIRBAG IGN, MISC IGN and SEO/ALC Fuses
Dimming Control and LED Dimming 1 of 3
LED Dimming 3 of 3
Wiring Provisions - 1 of 2
Stop Lamp Controls and CHMSL
Serial Data Communication Enable
Wiring Provisions - 2 of 2
Wiring Provisions - 1 of 2