GM Service Manual Online
For 1990-2009 cars only
Makes
🢒
Chevrolet
🢒
2007
🢒
Silverado - 4WD
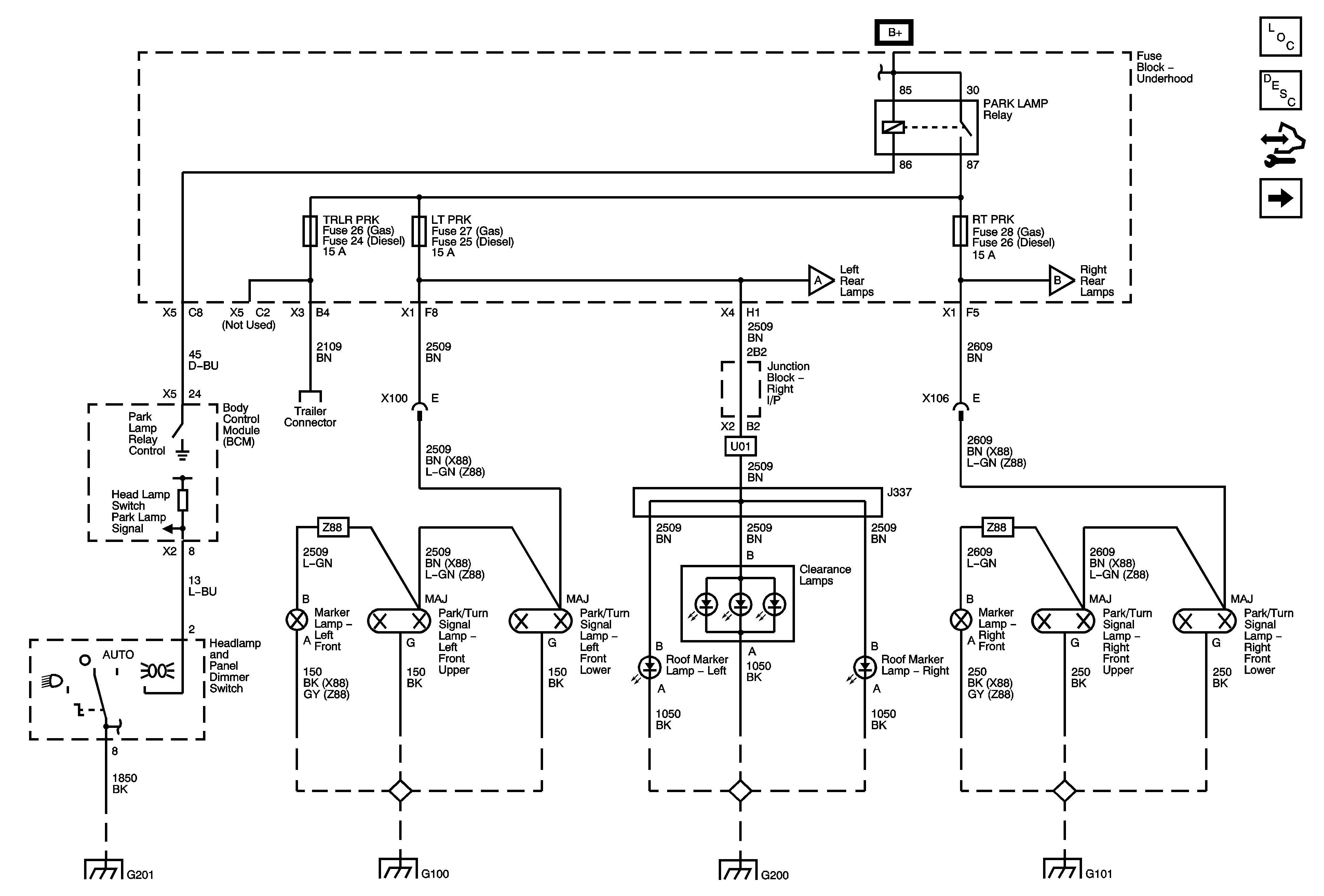
🢒 Park Lamp Controls and Front Park Lamps
Park Lamp Controls and Front Park Lamps
Park Lamp Controls and Front Park Lamps
Master Electrical Component List
Exterior Lighting Systems Description and Operation
Control Module References
Left Rear Park Lamps
RT PRK and TRLR PRK Fuses
LT PRK Fuse
Left Rear Park Lamps
Right Rear Park Lamps
Trialer Connector 1 of 2
G201 1 of 2
G100
G200 1 of 2
G101