GM Service Manual Online
For 1990-2009 cars only
Makes
🢒
Chevrolet
🢒
2007
🢒
Silverado - 4WD
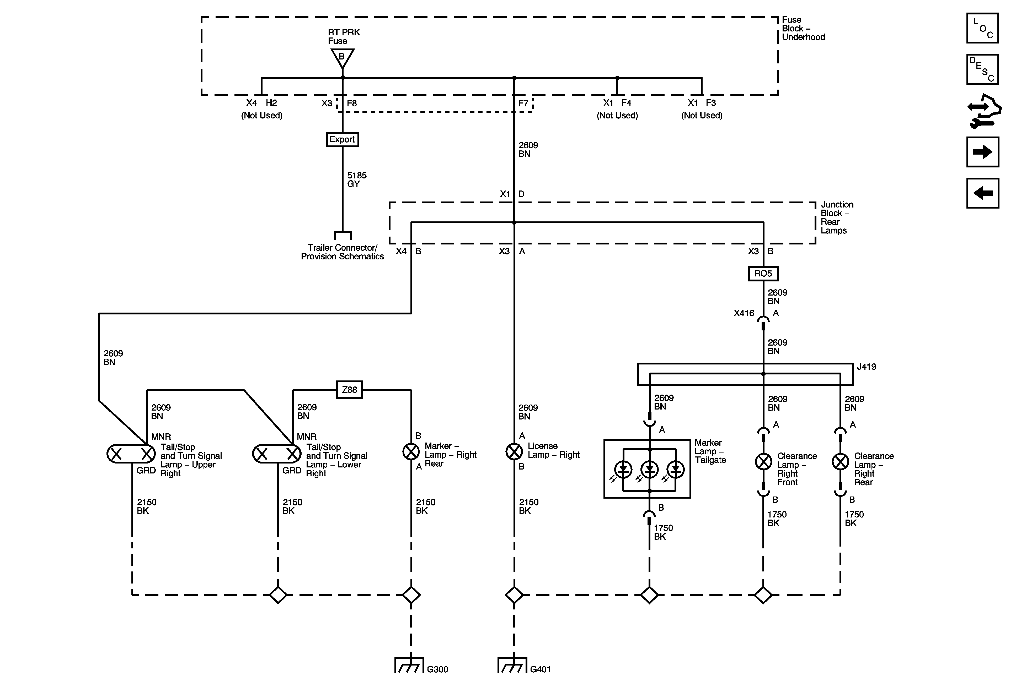
🢒 Right Rear Park Lamps
Right Rear Park Lamps
Right Rear Park Lamps
Master Electrical Component List
Exterior Lighting Systems Description and Operation
Control Module References
Exterior Illumination Lamps (DL3/DR4)
Left Rear Park Lamps
Park Lamp Controls and Front Park Lamps
Trialer Connector 1 of 2
G300
G401 and G403