GM Service Manual Online
For 1990-2009 cars only
Makes
🢒
Chevrolet
🢒
2007
🢒
Silverado - 4WD
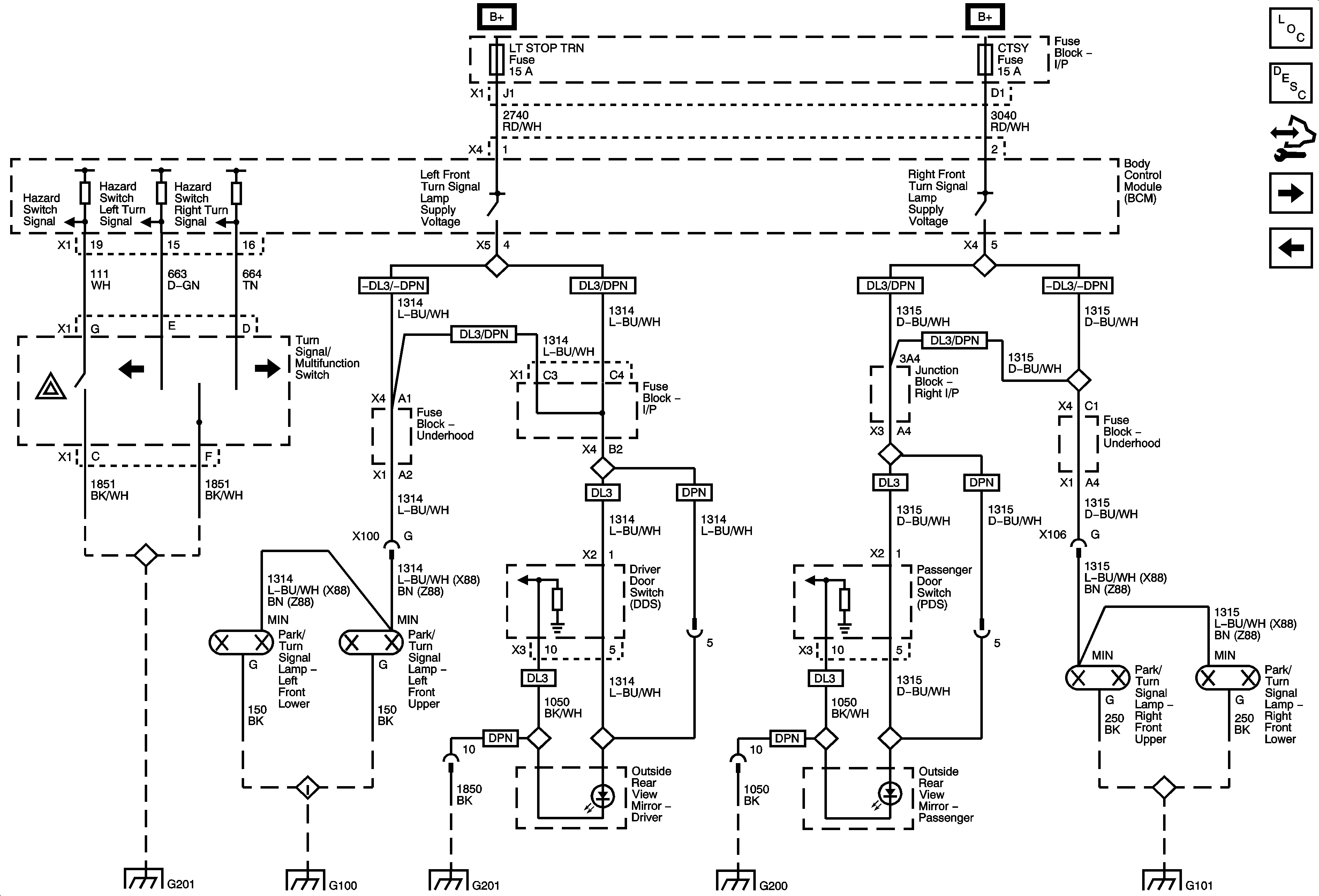
🢒 Turn Signal Controls and Front Turn Signal Lamps
Turn Signal Controls and Front Turn Signal Lamps
Turn Signal Controls and Front Turn Signal Lamps
Master Electrical Component List
Exterior Lighting Systems Description and Operation
Control Module References
Rear Stop/Turn Signal Lamps
Exterior Illumination Lamps (DL3/DR4)
G201 1 of 2
G100
G201 1 of 2
G200 1 of 2
G101