GM Service Manual Online
For 1990-2009 cars only
Makes
🢒
Chevrolet
🢒
1998
🢒
Tracker - 2WD
🢒
Steering
🢒
Steering Wheel and Column - Standard
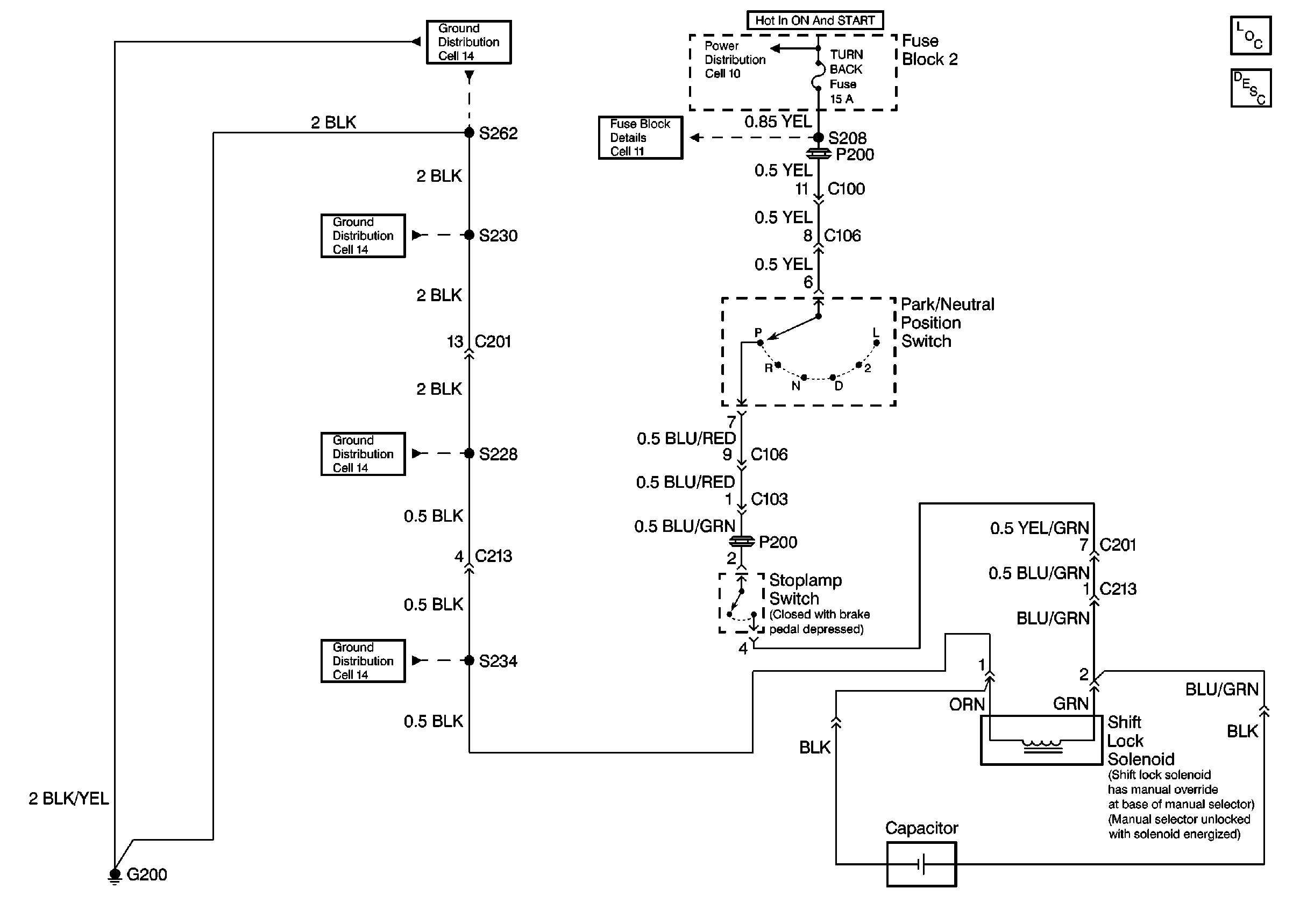
🢒 Column/Ignition Lock Schematics
Cell 138
Automatic Transmission Shift Lock Control Description
Ground Distribution Schematics
Power Distribution Schematics
Fuse Block Schematics
Ground Distribution Schematics
Ground Distribution Schematics
Ground Distribution Schematics
Standard Wheel/Column Components