GM Service Manual Online
For 1990-2009 cars only
Figure 1:

Cell 14: G100, G101, G102, G106, G107, G108, G109


Object Number: 357041  Size: FS
Power and Grounding Components
Cell 14: G103
Exterior Lights Schematics
Exterior Lights Schematics
HVAC Compressor/Condenser Fan Control Schematics
Wiper/Washer System (Standard) Schematics
Figure 2:

Cell 14: G103


Object Number: 357044  Size: FS
Power and Grounding Components
Cell 14: G104, G105
Cell 14: G100, G101, G102, G106, G107, G108, G109
Handling ESD Sensitive Parts Notice
Figure 3:

Cell 14: G104, G105


Object Number: 357048  Size: FS
Power and Grounding Components
Cell 14: G203
Cell 14: G103
Handling ESD Sensitive Parts Notice
Exterior Lights Schematics
Exterior Lights Schematics
Horn Schematics
Wiper/Washer System (Standard) Schematics
Wiper/Washer System (Rear) Schematics
Figure 4:

Cell 14: G203


Object Number: 357051  Size: FS
Power and Grounding Components
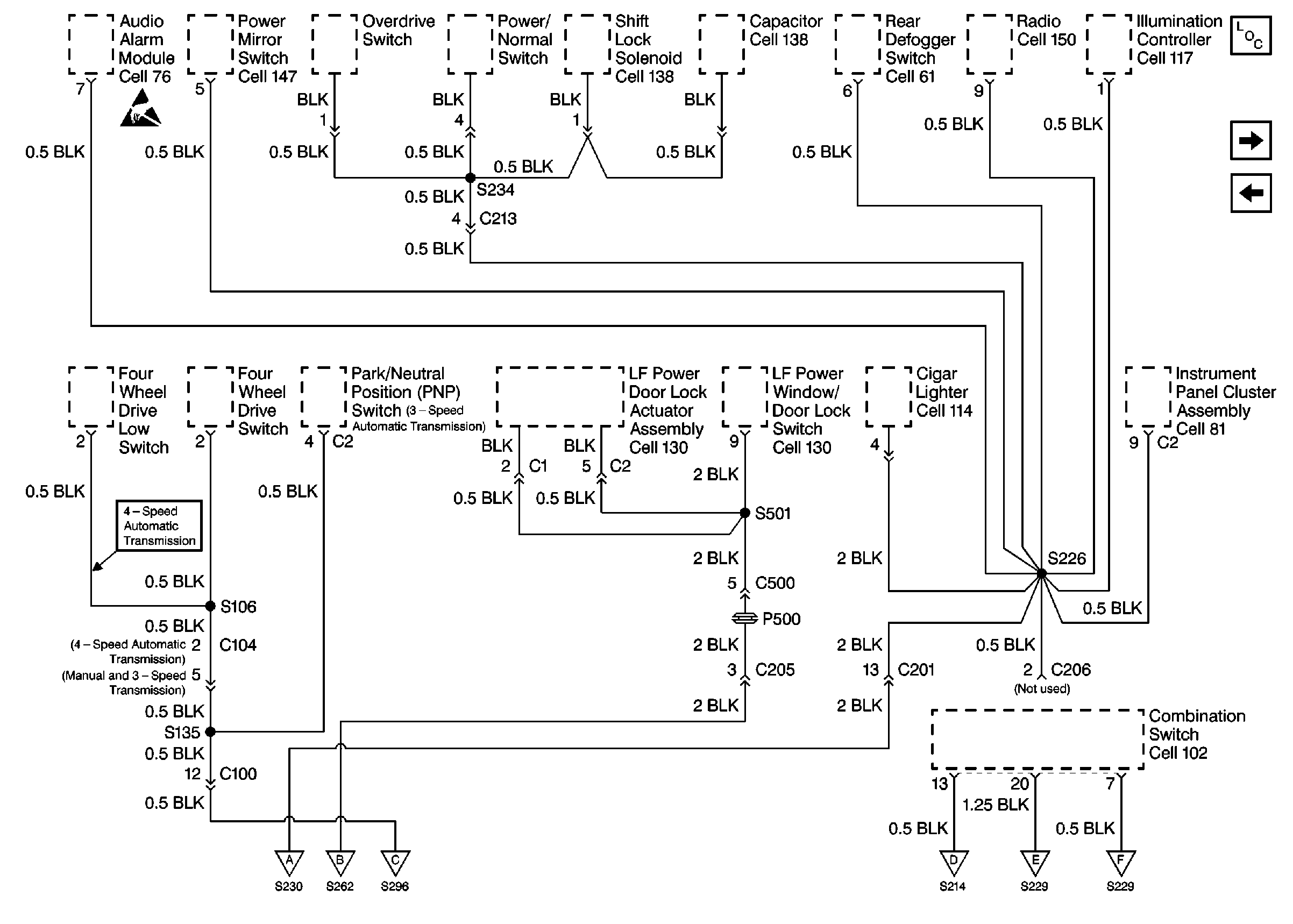
Cell 14: G200, G201, G202 (1 of 2)
Cell 14: G104, G105
Handling ESD Sensitive Parts Notice
SIR Handling Caution
Handling ESD Sensitive Parts Notice
SIR Handling Caution
Figure 5:

Cell 14: G200, G201, G202 (1 of 2)


Object Number: 357052  Size: FS
Power and Grounding Components
Cell 14: G200, G201, G202 (2 of 2)
Cell 14: G203
Handling ESD Sensitive Parts Notice
Outside Rearview Mirror Schematics
Column/Ignition Lock Schematics
Column/Ignition Lock Schematics
Radio/Audio System Schematics
Interior Lights Dimming Schematics
Power and Grounding Components
Door Lock/Indicator Schematics
Door Lock/Indicator Schematics
Interior Lights Schematics
Instrument Cluster: Analog Schematics
Figure 6:

Cell 14: G200, G201, G202 (2 of 2)


Object Number: 357053  Size: FS
Power and Grounding Components
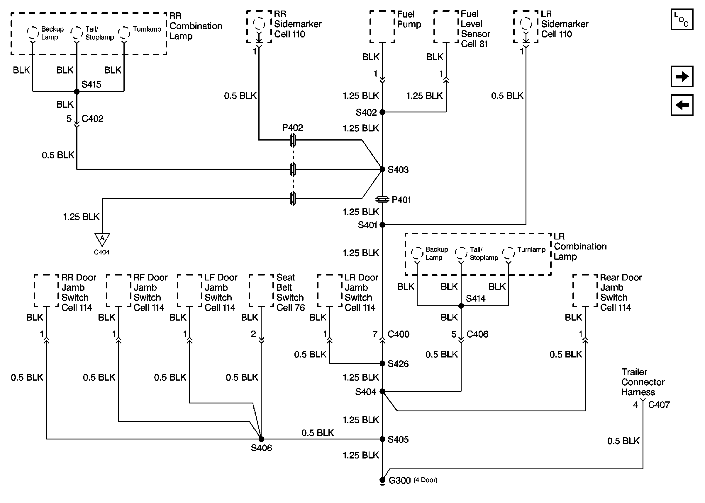
Cell 14: G300 (4Door)
Cell 14: G200, G201, G202 (1 of 2)
Handling ESD Sensitive Parts Notice
Handling ESD Sensitive Parts Notice
Handling ESD Sensitive Parts Notice
Handling ESD Sensitive Parts Notice
Power and Grounding Components
Instrument Cluster: Analog Schematics
Door Lock/Indicator Schematics
Headlights/Daytime Running Lights (DRL) Schematics
Antilock Brake System Schematics
Cruise Control Schematics
Cruise Control Schematics
Data Link Connector Schematics
Data Link Connector Schematics
Door Lock/Indicator Schematics
Exterior Lights Schematics
Headlights/Daytime Running Lights (DRL) Schematics
Heater Blower Controls Schematics
Figure 7:

Cell 14: G300 (4Door)


Object Number: 357055  Size: FS
Power and Grounding Components
Cell 14: G300, G402 (2 Door)
Cell 14: G200, G201, G202 (2 of 2)
Instrument Cluster: Analog Schematics
Exterior Lights Schematics
Exterior Lights Schematics
Power and Grounding Components
Interior Lights Schematics
Interior Lights Schematics
Interior Lights Schematics
Interior Lights Schematics
Interior Lights Schematics
Figure 8:

Cell 14: G300, G402 (2 Door)


Object Number: 357056  Size: FS
Power and Grounding Components
Cell 14: G400, G401, G403
Cell 14: G300 (4Door)
Instrument Cluster: Analog Schematics
Audible Warnings Schematics
Interior Lights Schematics
Interior Lights Schematics
Exterior Lights Schematics
Power and Grounding Components
Figure 9:

Cell 14: G400, G401, G403


Object Number: 357059  Size: FS
Power and Grounding Components
Cell 14: G300, G402 (2 Door)
Door Lock/Indicator Schematics
Exterior Lights Schematics
Exterior Lights Schematics
Exterior Lights Schematics
Wiper/Washer System (Rear) Schematics
Power and Grounding Components