GM Service Manual Online
For 1990-2009 cars only
Makes
🢒
Chevrolet
🢒
1998
🢒
Tracker - 2WD
🢒
Body and Accessories
🢒
Lighting Systems
🢒 Interior Lights Schematics
Figure
1:
Cell 114: Fuse Block 2
Power Distribution Schematics
Power Distribution Schematics
Fuse Block Schematics
Fuse Block Schematics
Fuse Block Schematics
Ground Distribution Schematics
Lighting Systems Components
Interior Lights Circuit Description
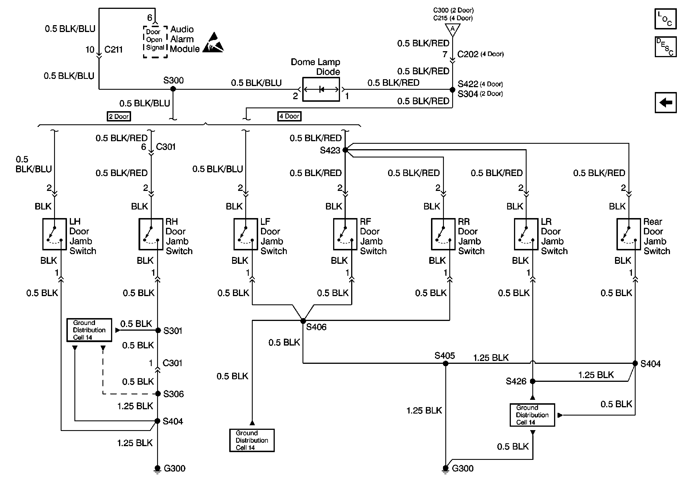
Cell 114: Jamb Switches
Figure
2:
Cell 114: Jamb Switches
Handling ESD Sensitive Parts Notice
Ground Distribution Schematics
Ground Distribution Schematics
Ground Distribution Schematics
Lighting Systems Components
Exterior Lights Circuit Description
Cell 114: Fuse Block 2