GM Service Manual Online
For 1990-2009 cars only
Makes
🢒
Chevrolet
🢒
1998
🢒
Tracker - 2WD
🢒
Body and Accessories
🢒
Lighting Systems
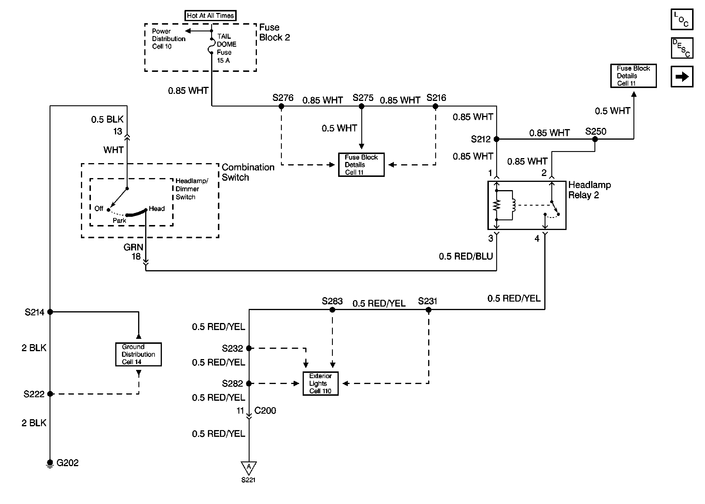
🢒 Interior Lights Dimming Schematics
Figure
1:
Cell 117: Headlamp relay 2
Power Distribution Schematics
Ground Distribution Schematics
Exterior Lights Schematics
Fuse Block Schematics
Fuse Block Schematics
Lighting Systems Components
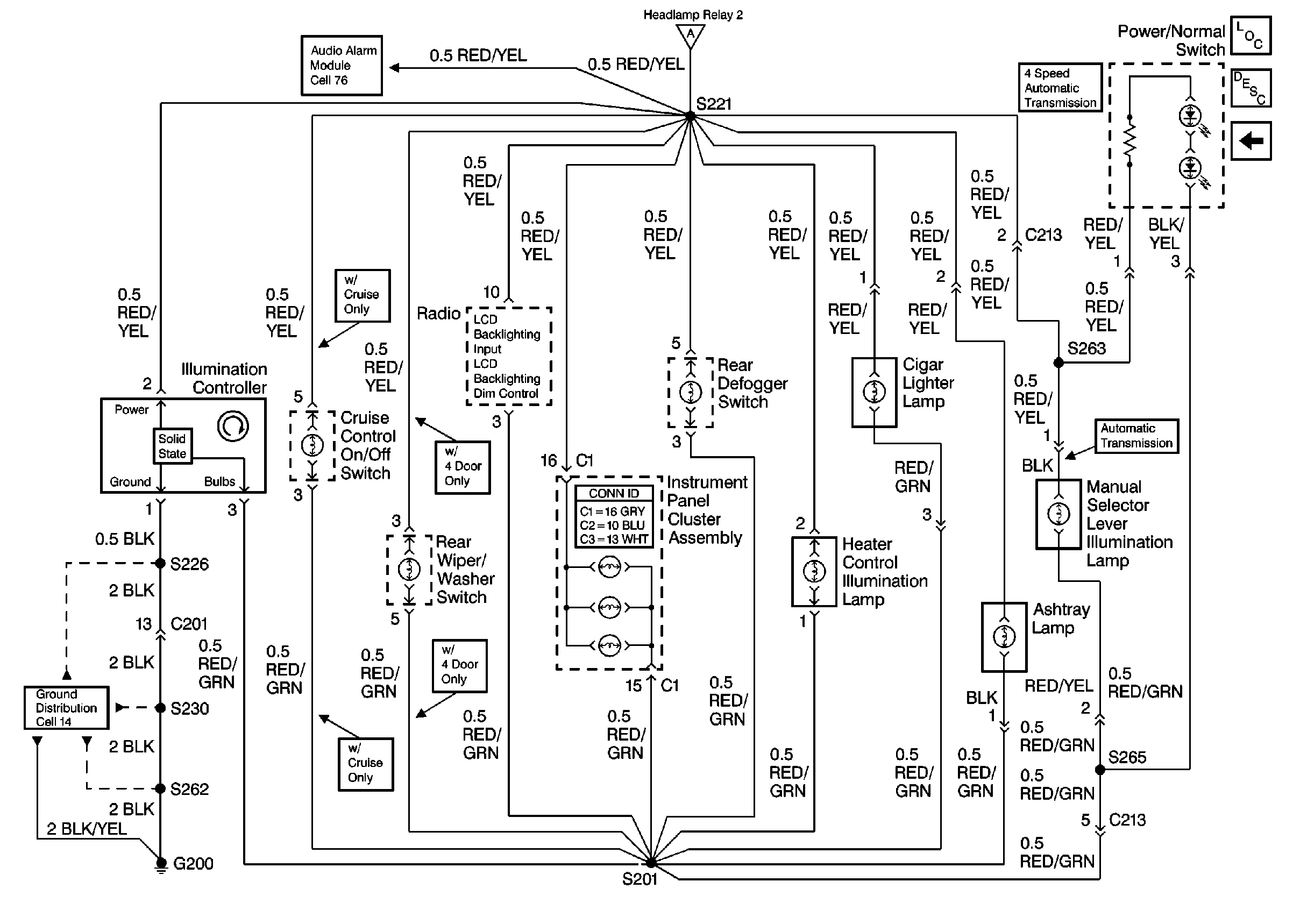
Interior Lights Dimming Circuit Description
Cell 117: Illumination Controller
Figure
2:
Cell 117: Illumination Controller
Audible Warnings Schematics
Ground Distribution Schematics
Lighting Systems Components
Interior Lights Dimming Circuit Description
Cell 117: Headlamp relay 2