GM Service Manual Online
For 1990-2009 cars only
Makes
🢒
Chevrolet
🢒
1998
🢒
Tracker - 2WD
🢒
Body and Accessories
🢒
Stationary Windows
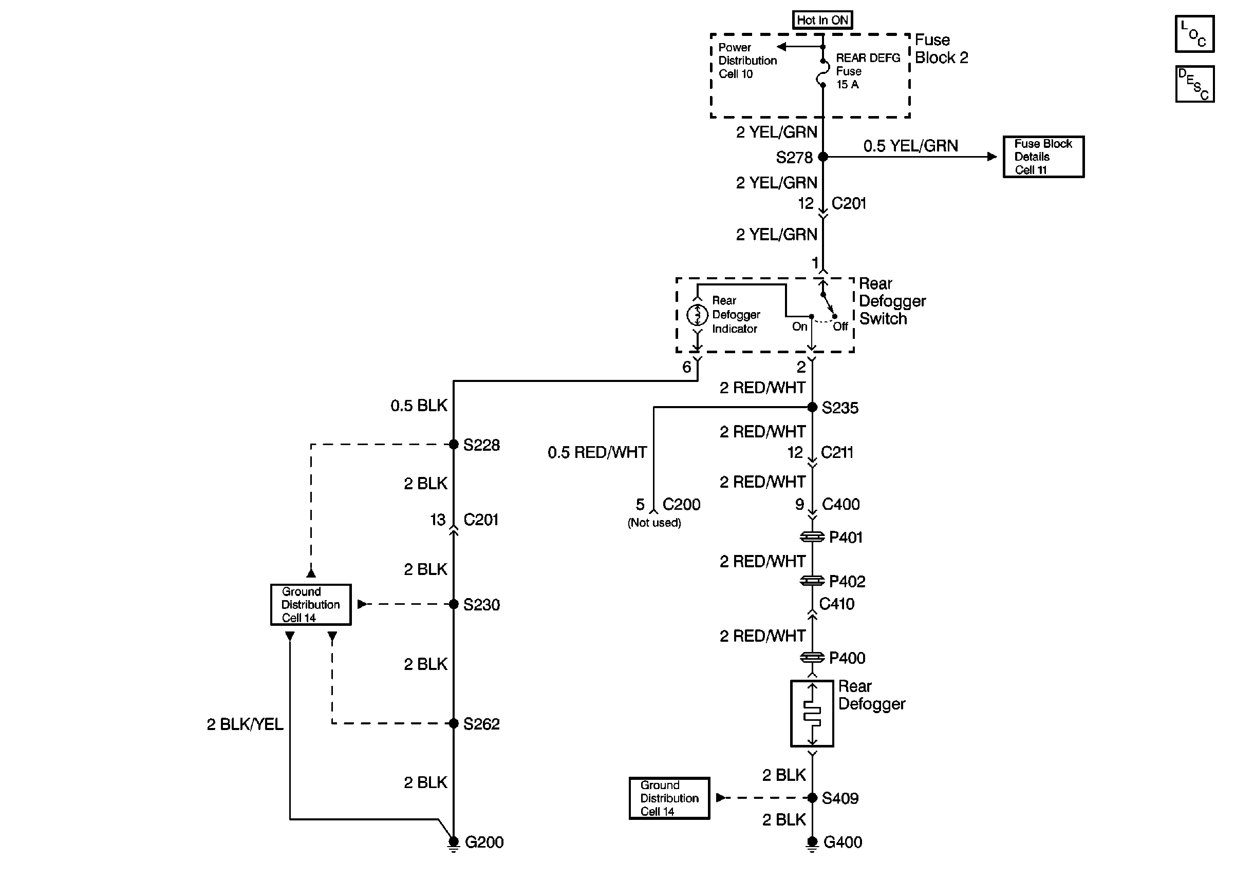
🢒 Defogger Schematics
Cell 61
Ground Distribution Schematics
Ground Distribution Schematics
Power Distribution Schematics
Fuse Block Schematics
Stationary Windows Components
Rear Window Defogger Circuit Description