GM Service Manual Online
For 1990-2009 cars only
Figure 1:

Cell 130: Power and Ground


Object Number: 356705  Size: FS
Power Distribution Schematics
Handling ESD Sensitive Parts Notice
Power Door Systems Components
Power Door Locks Circuit Description
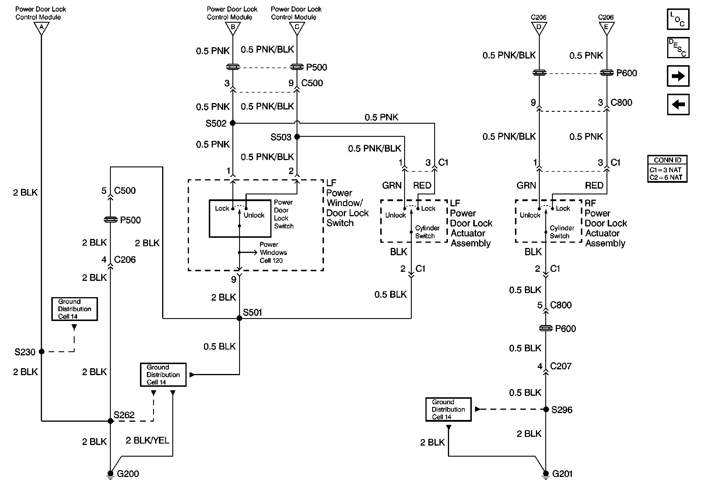
Cell 130: Front Switches
Figure 2:

Cell 130: Front Switches


Object Number: 356707  Size: FS
Ground Distribution Schematics
Ground Distribution Schematics
Ground Distribution Schematics
Power Door Systems Components
Power Door Locks Circuit Description
Cell 130: Door Lock Actuators
Cell 130: Power and Ground
Figure 3:

Cell 130: Door Lock Actuators


Object Number: 356710  Size: FS
Handling ESD Sensitive Parts Notice
Power Door Systems Components
Power Door Locks Circuit Description
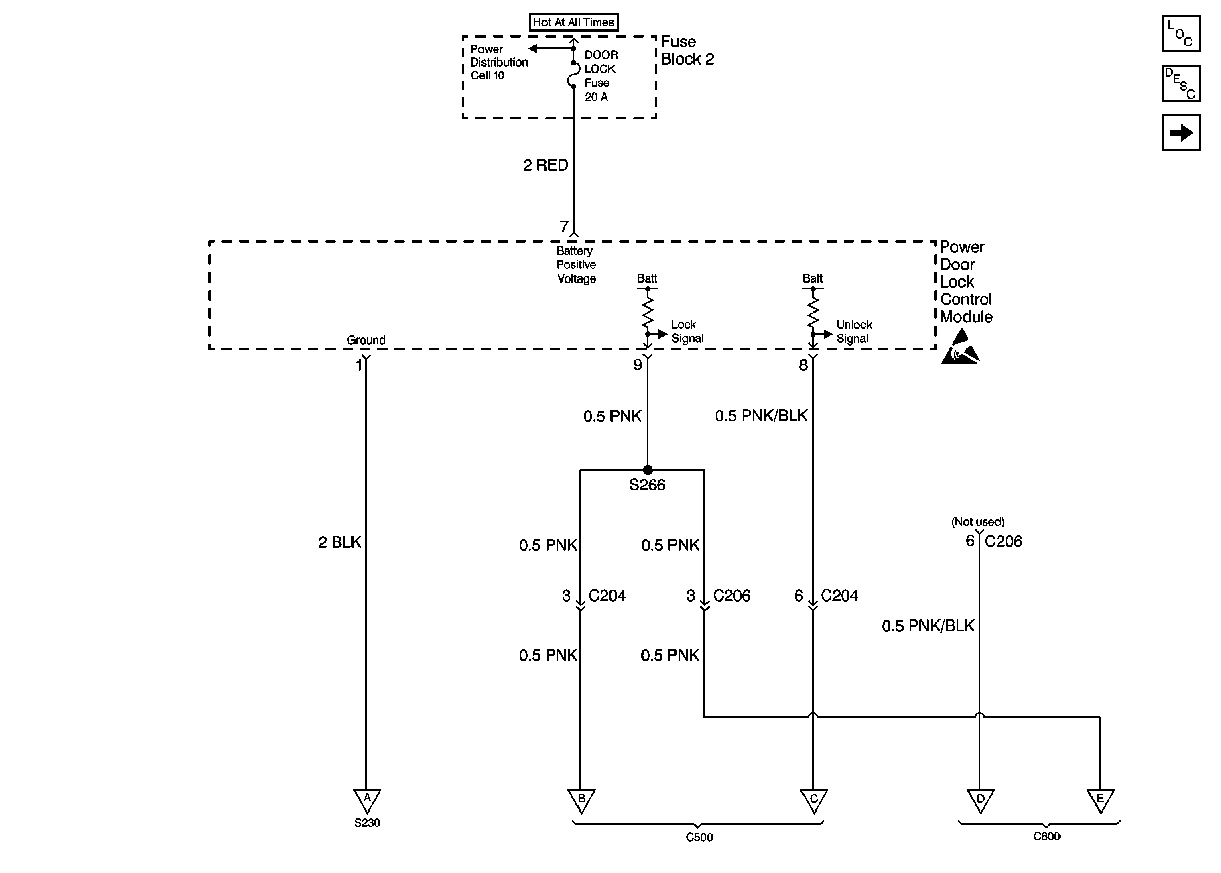
Cell 130: Control Module
Cell 130: Front Switches
Figure 4:

Cell 130: Control Module


Object Number: 356716  Size: FS
Handling ESD Sensitive Parts Notice
Power Door Systems Components
Power Door Locks Circuit Description
Cell 130: Rear Switch
Cell 130: Door Lock Actuators
Figure 5:

Cell 130: Rear Switch


Object Number: 356717  Size: FS
Handling ESD Sensitive Parts Notice
Ground Distribution Schematics
Ground Distribution Schematics
Power Door Systems Components
Power Door Locks Circuit Description
Cell 130: Control Module