GM Service Manual Online
For 1990-2009 cars only

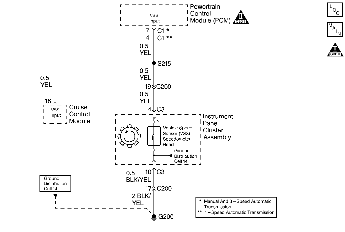
Object Number: 72410  Size: MF
Cell 20: A/T Data Input 1
OBD II Symbol Description Notice
Handling ESD Sensitive Parts Notice

Circuit Description

The vehicle speed sensor (VSS) is located behind the I/P cluster assembly. The powertrain control module (PCM) supplies 5 volts to the VSS. The VSS incorporates a reed switch that opens and closes four times per revolution of the speedometer cable. The VSS signal voltage at the PCM toggles high and low when the reed switch opens and closes. The PCM converts the toggled high/low voltage into a vehicle speed reading that is displayed in km/h (mph).

Conditions for Setting the DTC

    • Engine is operating in fuel cut mode for more than 5 seconds.
    • No vehicle speed sensor signal indicated.

Action Taken When the DTC Sets

    • The PCM illuminates the malfunction indicator lamp (MIL).
    • The PCM records the operating conditions at the time the diagnostic fails. This information is stored in the Freeze Frame buffer.
    • The PCM enters the Fail-Safe Function and limits air flow at the IAC valve.

Conditions for Clearing the MIL/DTC

    • The MIL turns OFF after three consecutively passing trips without a fault present.
    • A History DTC clears after 40 consecutive warm-up cycles without a fault.
    • Use the scan tool Clear DTC Information function or disconnect the PCM battery feed in order to clear the DTC.

Diagnostic Aids

Check for a faulty speedometer cable. A binding speedometer cable may set a false DTC P0500. Make sure that the speedometer cable is free from any restrictions and that the cable has a secure connection to the I/P cluster assembly.

An intermittent malfunction may be caused by a fault in the VSS electrical circuit. Inspect the wiring harness and components for any of the following conditions:

    • Backed out terminals.
    • Improper mating of terminals.
    • Broken electrical connector locks.
    • Improperly formed or damaged terminals.
    • Faulty terminal to wire connections.
    • Physical damage to the wiring harness.
    • A broken wire inside the insulation.
    • Corrosion of electrical connections, splices, or terminals.

If the DTC P0500 cannot be duplicated, the information included in the Freeze Frame data can be useful in determining vehicle operating conditions since the DTC was first set.

Test Description

The numbers below refer to the step numbers in the Diagnostic Table.

  1. The Powertrain (OBD) System Check prompts the technician to complete some basic checks and store the Freeze Frame data on the scan tool if applicable. This creates an electronic copy of the data taken when the fault occurred. The information is then stored in the scan tool for later reference.

  2. Thi step determines if a fault is present.

  3. Review the Freeze Frame data in order to determine when the DTC set. Always record this information.

  4. This step checks for the 5 volt reference signal from the PCM. The VSS is located behind the I/P cluster assembly.

Step

Action

Value(s)

Yes

No

1

Did you perform the Powertrain On-Board Diagnostic (OBD) System Check?

--

Go to Step 2

Go to Powertrain On Board Diagnostic (OBD) System Check

2

  1. Install a scan tool.
  2. Raise the vehicle and suitably support the vehicle drive axles.
  3. Start the engine.
  4. Run the engine in gear.

Does the scan tool display the vehicle speed above the specified value?

0 km/h (0 mph)

Go to Step 3

Go to Step 4

3

  1. Lower the vehicle.
  2. Clear the scan tool data information.
  3. Operate the vehicle within the Freeze Frame conditions as noted.

Does the scan tool indicate a DTC P0500?

--

Go to Step 4

Go to Diagnostic Aids

4

  1. Turn OFF the ignition.
  2. Disconnect the I/P cluster assembly connector C3.
  3. Connect a DMM from the I/P cluster assembly connector C3 terminal 4 to ground (harness side).
  4. Turn ON the ignition, leaving the engine OFF.

Is the voltage within the specified value?

4 to 6 volts

Go to Step 5

Go to Step 7

5

Connect a test light to B+ and probe the I/P cluster assembly connector C3 terminal 10.

Is the test light ON?

--

Go to Step 6

Go to Step 9

6

  1. Check the I/P cluster printed circuit for cracks or bad connections.
  2. Repair as necessary.

Was a repair necessary?

--

Go to Step 12

Go to Step 10

7

  1. Check for an open or a short in the VSS input circuit between the VSS and the PCM.
  2. Repair as necessary.

Was a repair necessary?

--

Go to Step 12

Go to Step 8

8

  1. Check for a short to ground in the VSS input circuit between the PCM and the cruise control module.
  2. Repair as necessary.

Was a repair necessary?

--

Go to Step 12

Go to Step 11

9

Repair the faulty ground connection or the open in the VSS ground circuit.

Is the action complete?

--

Go to Step 12

--

10

Replace the speedometer assembly. Refer to Speedometer Replacement Body and Accessories.

Is the action complete?

--

Go to Step 12

--

11

Replace the PCM. Refer to Powertrain Control Module Replacement .

Is the action complete?

--

Go to Step 12

--

12

  1. Clear the scan tool information and road test the vehicle within the Freeze Frame conditions that set the DTC.
  2. Review the scan tool data and check for DTCs. The repair is complete if no DTCs are stored.

Are any DTCs displayed on the scan tool?

--

Go to the Applicable DTC Table

System OK