GM Service Manual Online
For 1990-2009 cars only
Makes
🢒
Chevrolet
🢒
1999
🢒
Tracker - 2WD
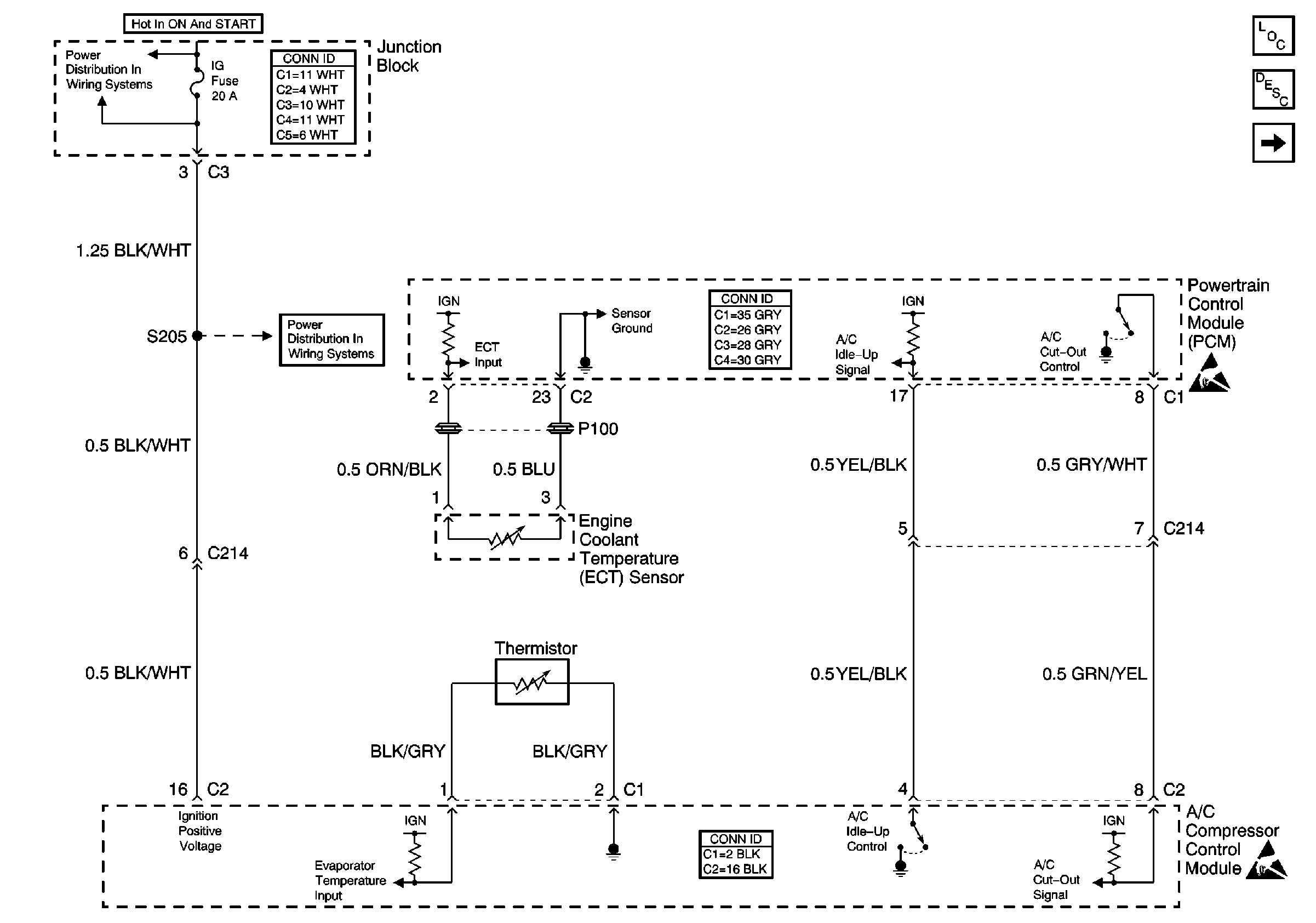
🢒 Power, Thermister, ECT Sensor and PCM
Power, Thermister, ECT Sensor and PCM
Power, Thermister, ECT Sensor and PCM
HVAC Components
HVAC Blower Controls Circuit Description
Ground, A/C and Pressure Switches
IG Fuse
IG Fuse
Handling ESD Sensitive Parts Notice
Handling ESD Sensitive Parts Notice