GM Service Manual Online
For 1990-2009 cars only
Makes
🢒
Chevrolet
🢒
1999
🢒
Tracker - 2WD
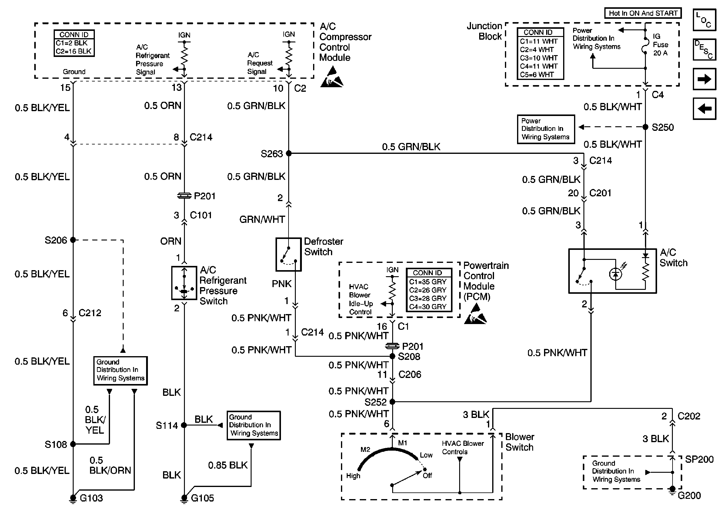
🢒 Ground, A/C and Pressure Switches
Ground, A/C and Pressure Switches
Ground, A/C and Pressure Switches
HVAC Components
HVAC Blower Controls Circuit Description
Compressor Clutch and Condenser Fan
Power, Thermister, ECT Sensor and PCM
IG Fuse
IG, TURN and WIP Fuses
Handling ESD Sensitive Parts Notice
Handling ESD Sensitive Parts Notice
G200 (1 of 2)
G105
G103