GM Service Manual Online
For 1990-2009 cars only
Makes
🢒
Chevrolet
🢒
1999
🢒
Tracker - 2WD
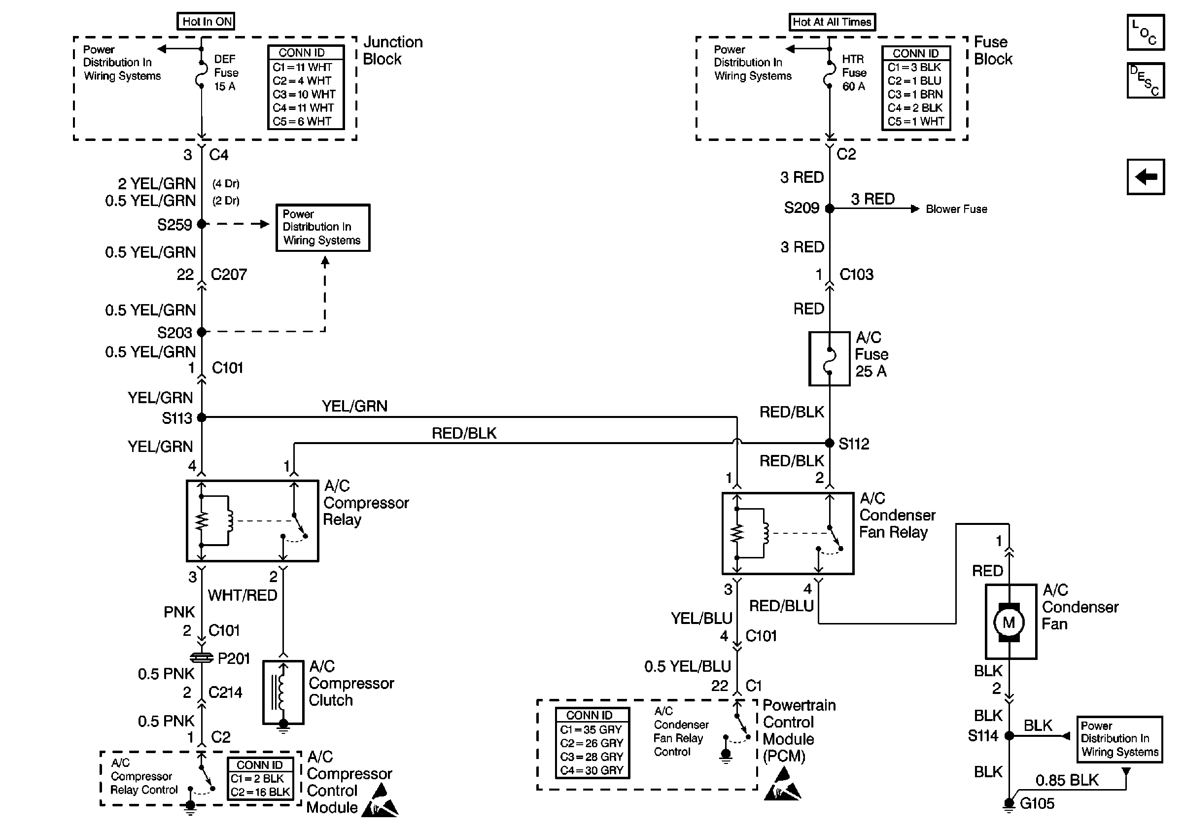
🢒 Compressor Clutch and Condenser Fan
Compressor Clutch and Condenser Fan
Compressor Clutch and Condenser Fan
HVAC Components
HVAC Blower Controls Circuit Description
Ground, A/C and Pressure Switches
H/L, HTR, IG and LAMP Fuses
HVAC Blower Controls Schematics
CIG, DEF and P/W Fuses
CIG, DEF and P/W Fuses
Handling ESD Sensitive Parts Notice
Handling ESD Sensitive Parts Notice
G105