GM Service Manual Online
For 1990-2009 cars only
Makes
🢒
Chevrolet
🢒
2000
🢒
Tracker - 2WD
🢒
Body and Accessories
🢒
Stationary Windows
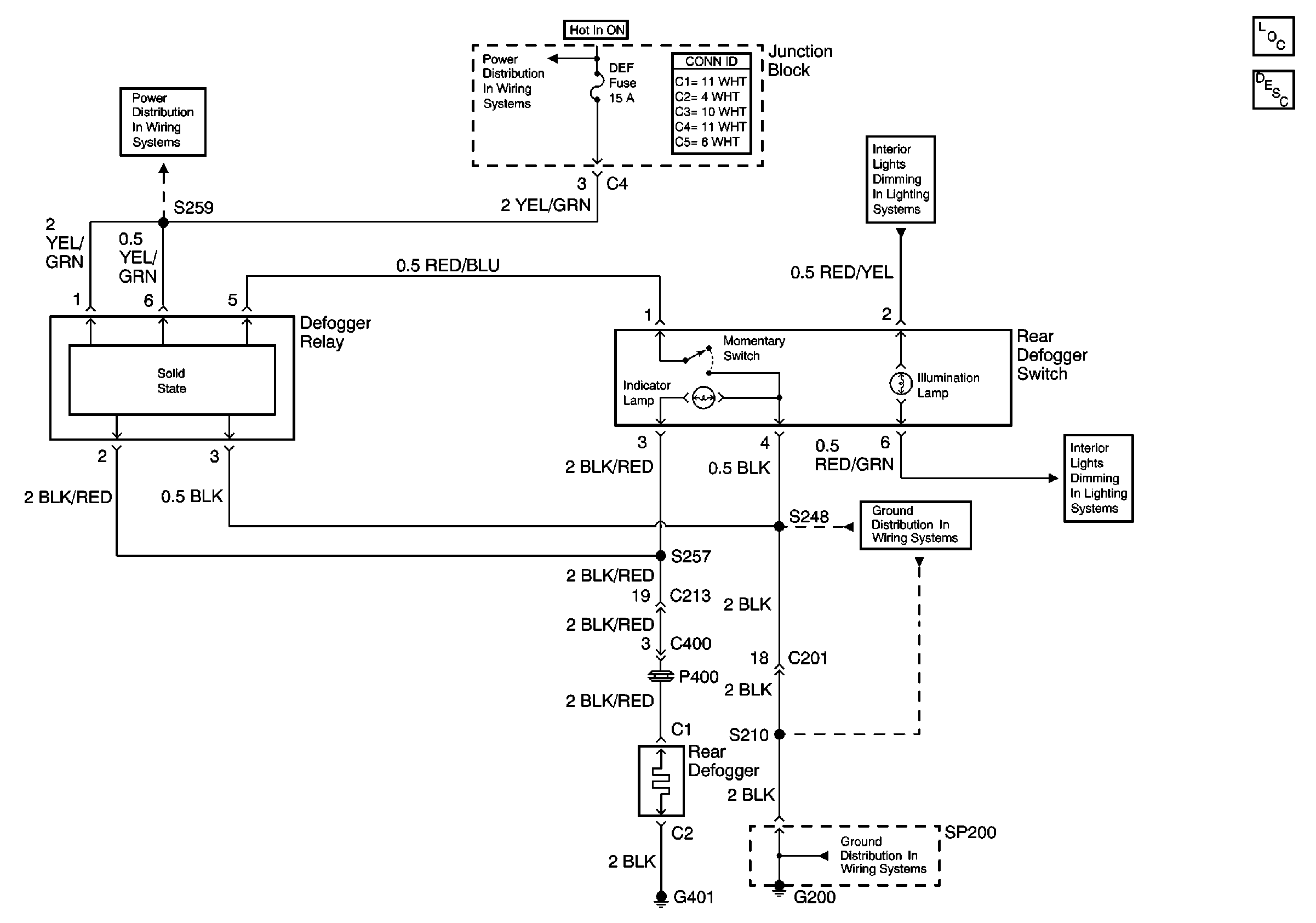
🢒 Defogger Schematics
Stationary Windows Components
Rear Window Defogger Circuit Description
Instrument Panel Lamp Dimmer Control and Lamps
Instrument Panel Lamp Dimmer Control and Lamps
G200 (2 of 2)
G200 (1 of 2)
CIG, DEF and P/W Fuses
CIG, DEF and P/W Fuses