GM Service Manual Online
For 1990-2009 cars only
Makes
🢒
Chevrolet
🢒
2000
🢒
Tracker - 2WD
🢒
Body and Accessories
🢒
Doors
🢒 Door Lock/Indicator Schematics
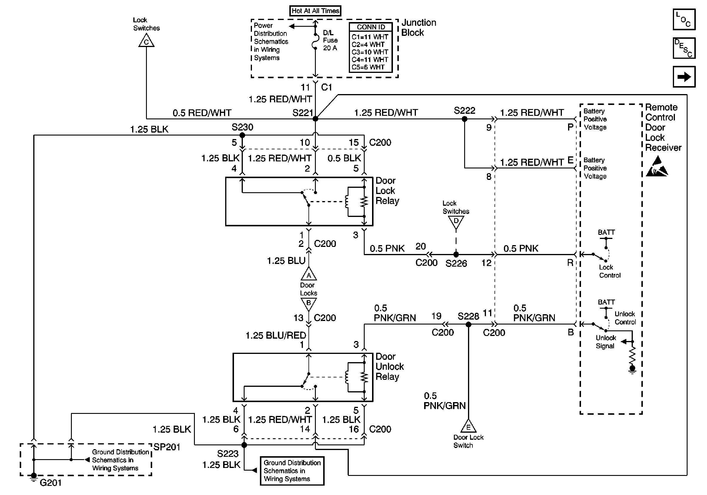
Figure
1:
Door Lock/Unlock Relays
Keyless Entry Components
Keyless Entry System Circuit Description
Door Locks
Handling ESD Sensitive Parts Notice
HAZ, D/L, TAIL, STOP and DOME Fuses
G201
G201
Figure
2:
Door Locks
Keyless Entry Components
Keyless Entry System Circuit Description
Door Lock Switches and Cylinders
Handling ESD Sensitive Parts Notice
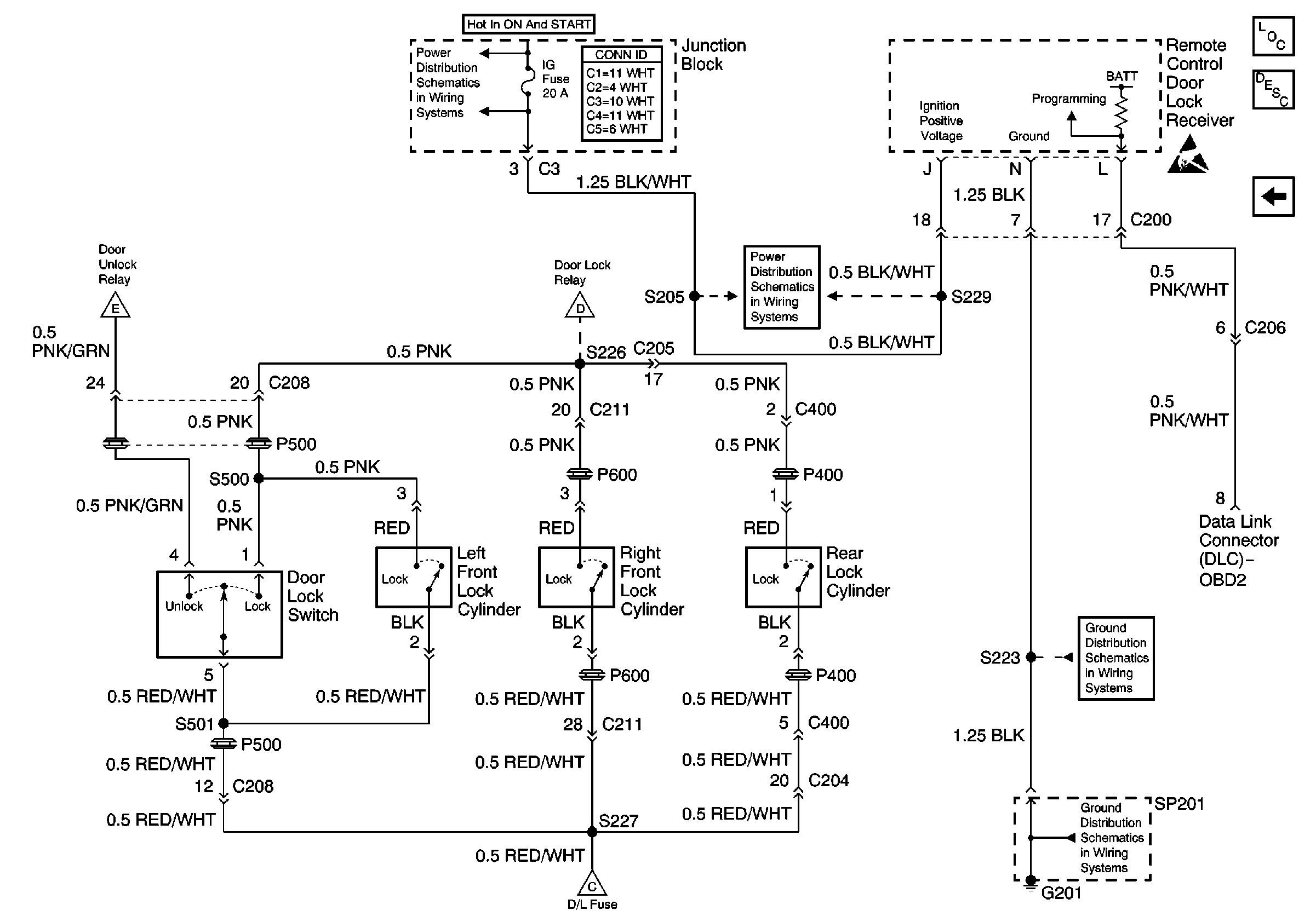
Figure
3:
Door Lock Switches and Cylinders
Keyless Entry Components
Keyless Entry System Circuit Description
Door Locks
Door Lock/Unlock Relays
Handling ESD Sensitive Parts Notice
G201
G201
IG Fuse
IG Fuse