GM Service Manual Online
For 1990-2009 cars only
Makes
🢒
Chevrolet
🢒
2000
🢒
Tracker - 2WD
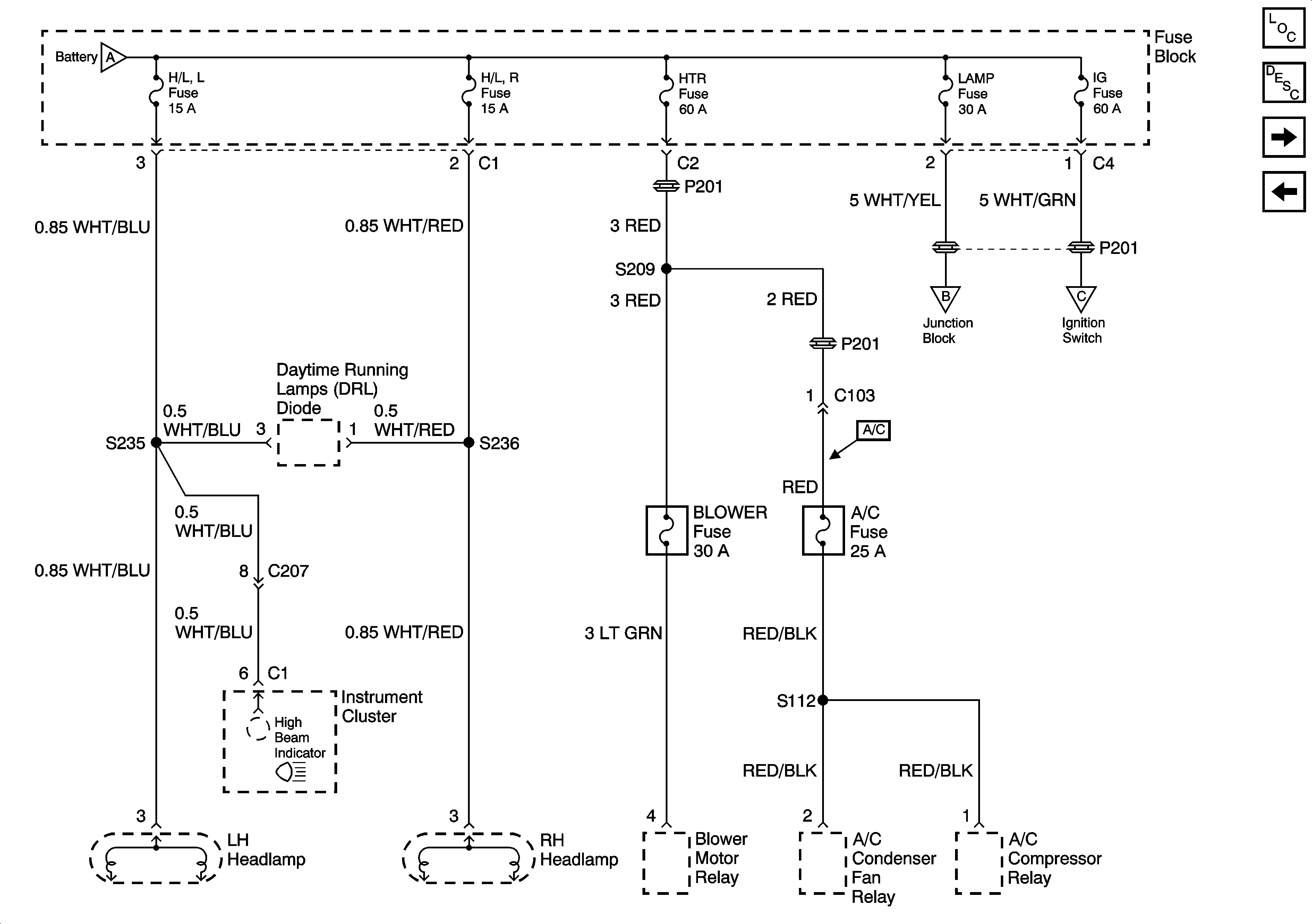
🢒 H/L, HTR, IG and LAMP Fuses
H/L, HTR, IG and LAMP Fuses
H/L, HTR, IG and LAMP Fuses
Power and Grounding Components
HAZ, D/L, TAIL, STOP and DOME Fuses
BATT, ABS, FI and ACC Fuses
HAZ, D/L, TAIL, STOP and DOME Fuses
Ignition Switch and SIR Fuse