GM Service Manual Online
For 1990-2009 cars only
Makes
🢒
Chevrolet
🢒
2000
🢒
Tracker - 2WD
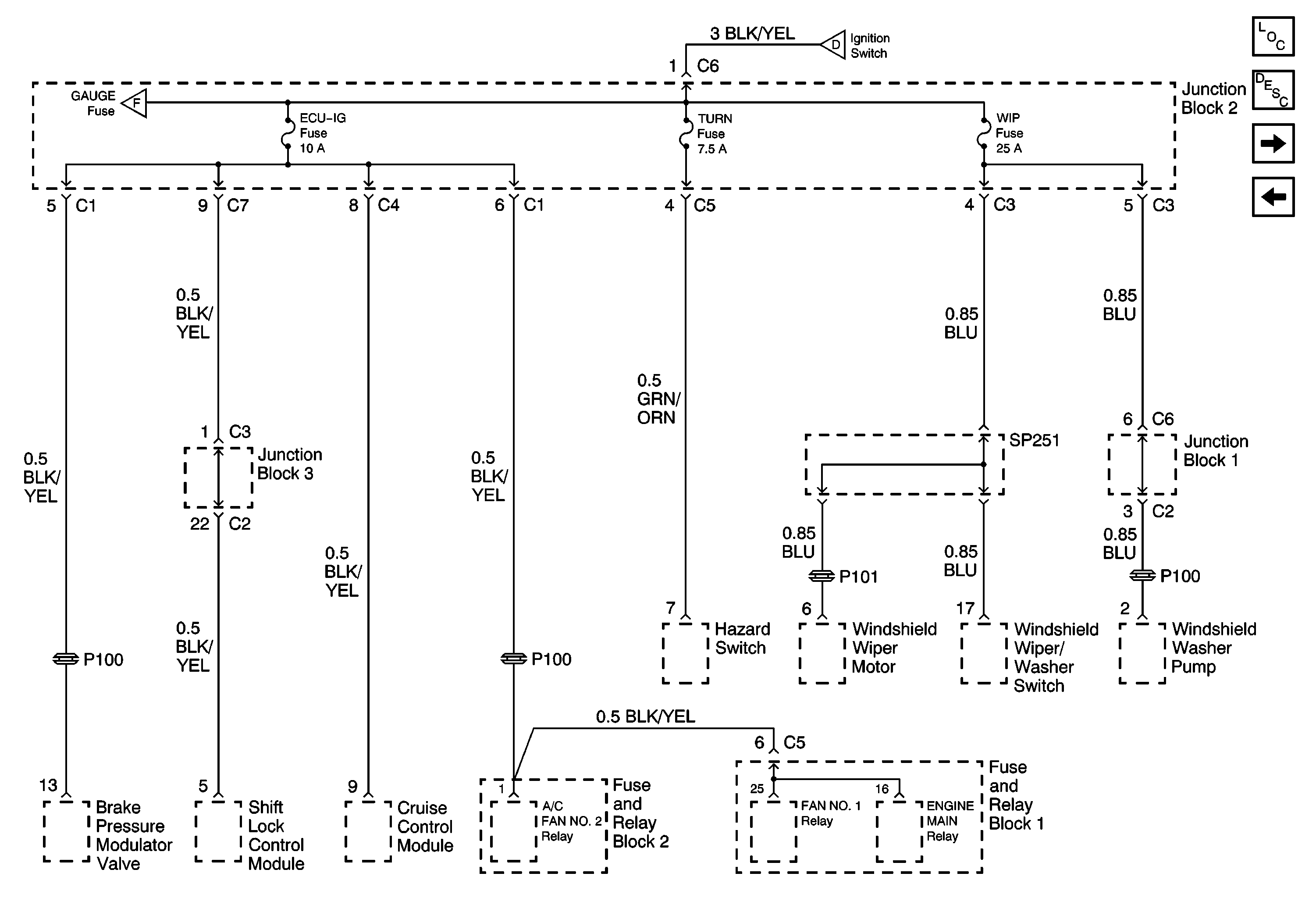
🢒 ECU-IG, TURN, and WIP Fuse
ECU-IG, TURN, and WIP Fuse
ECU-IG, TURN, and WIP Fuse
Master Electrical Component List
CIG Fuse
Ignition Switch, IGN and ST Fuses
Ignition Switch, IGN and ST Fuses
Gauge Fuse