GM Service Manual Online
For 1990-2009 cars only
Makes
🢒
Chevrolet
🢒
2001
🢒
Tracker - 2WD
🢒
Body and Accessories
🢒
Lighting Systems
🢒 Interior Lights Schematics
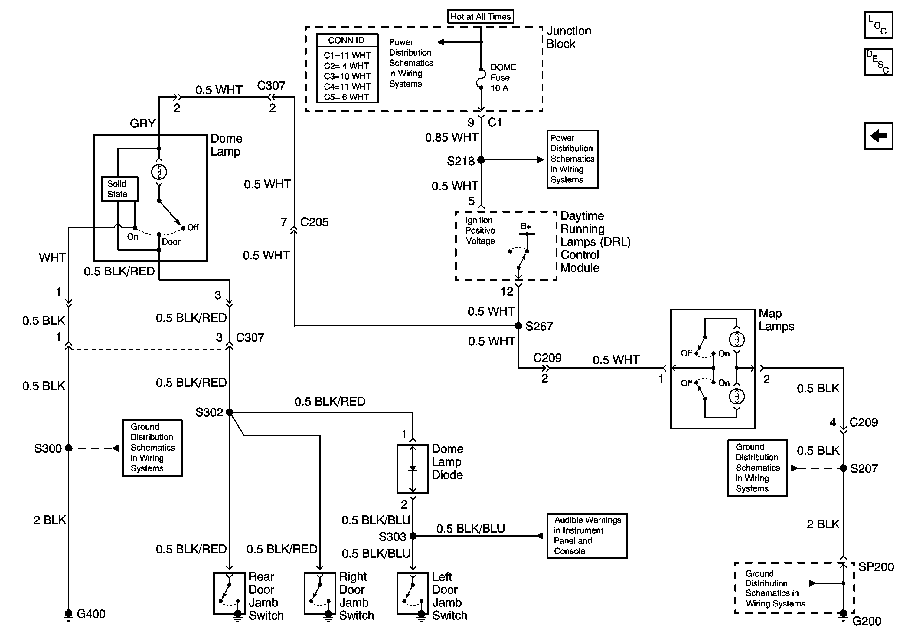
Figure
1:
Map Lamps Dome Lamps
Master Electrical Component List
Interior Lighting Systems Description and Operation
Door Jamb Switches
Seat Belt Switch, Door Jamb Switch
G200 (1 of 2)
G200 and G201
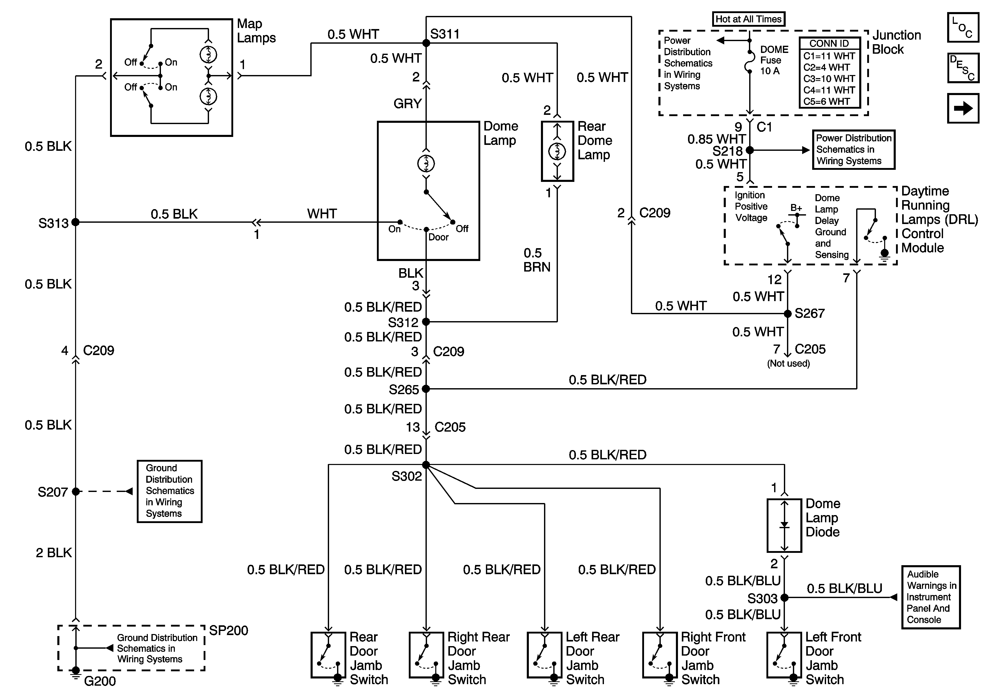
Figure
2:
Door Jamb Switches
Master Electrical Component List
Interior Lighting Systems Description and Operation
Map Lamps Dome Lamps
G200 and G201
G200 (1 of 2)
Seat Belt Switch, Door Jamb Switch
G400 and G401
HAZ, D/L, TAIL, Stop and Dome Fuses