GM Service Manual Online
For 1990-2009 cars only
Makes
🢒
Chevrolet
🢒
2001
🢒
Tracker - 2WD
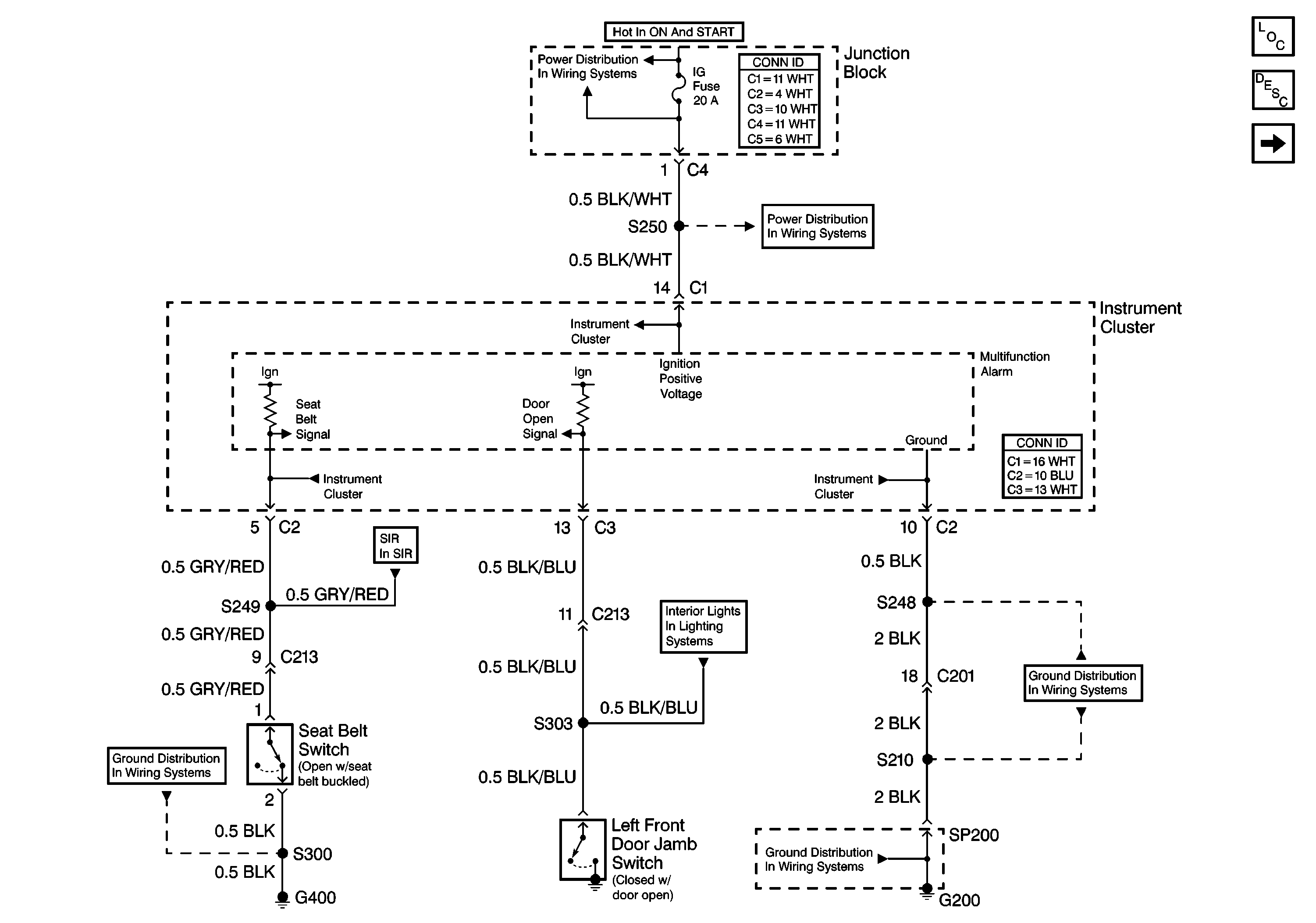
🢒 Seat Belt Switch, Door Jamb Switch
Seat Belt Switch, Door Jamb Switch
Seat Belt Switch, Door Jamb Switch
Master Electrical Component List
Instrument Panel Description
Turn Signal/Headlamp Switch
G200 (1 of 2)
G200 (1 of 2)
Map Lamps Dome Lamps
H/L, HTR, IG, and Lamp Fuses
H/L, HTR, IG, and Lamp Fuses
NO TITLE SIR
G400 and G401