GM Service Manual Online
For 1990-2009 cars only
Makes
🢒
Chevrolet
🢒
2001
🢒
Tracker - 2WD
🢒
Body and Accessories
🢒
Doors
🢒 Door Lock/Indicator Schematics
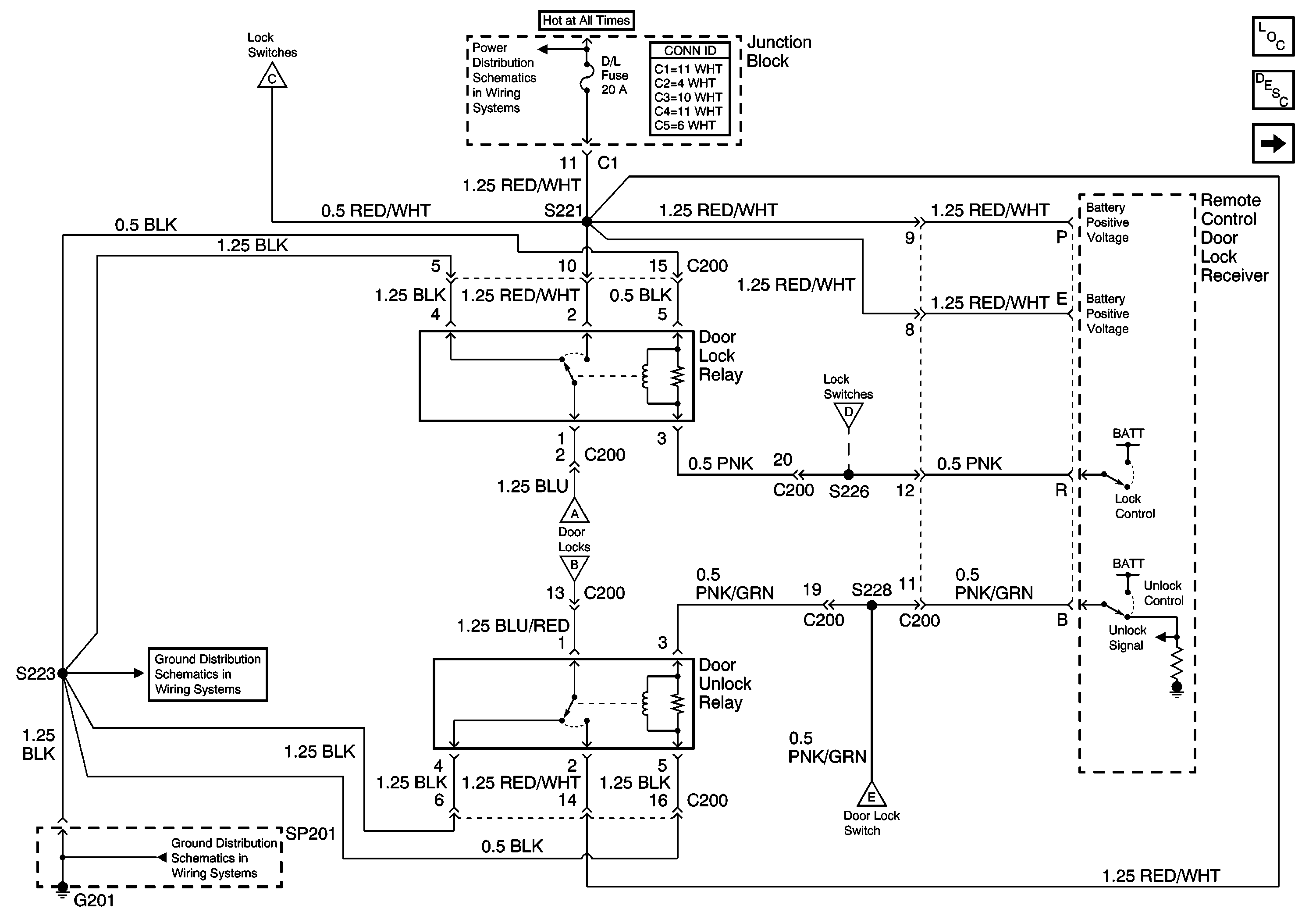
Figure
1:
Lock and Unlock Relays
Master Electrical Component List
Power Door Locks Description and Operation
Door Lock Mirrors
G201
HAZ, D/L, TAIL, Stop and Dome Fuses
G201
Door Lock Mirrors
Door Lock Mirrors
Key Lock Cylinder Switches and Door Lock Switches
Key Lock Cylinder Switches and Door Lock Switches
Key Lock Cylinder Switches and Door Lock Switches
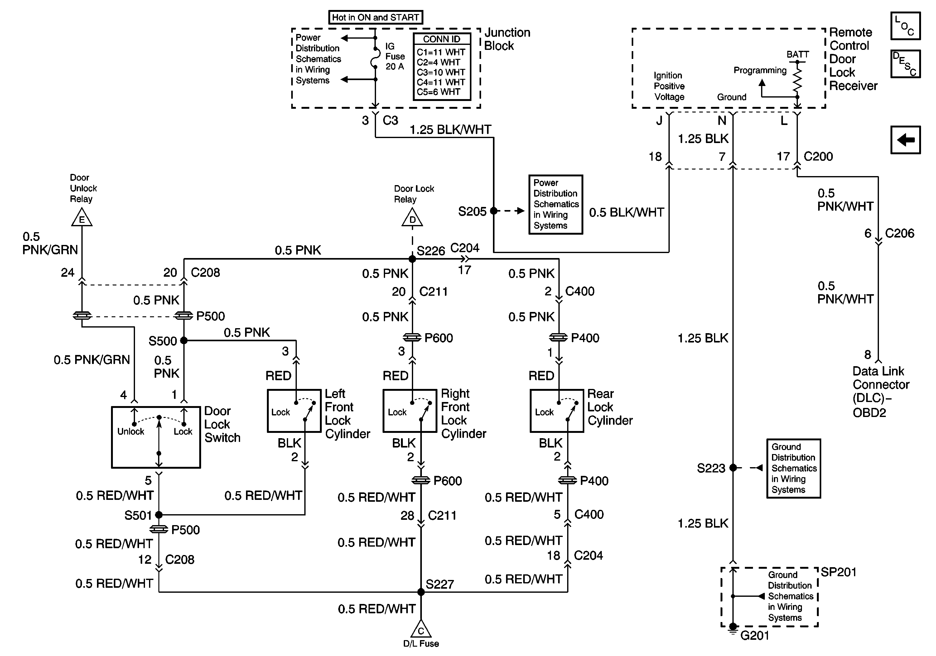
Figure
2:
Door Lock Mirrors
Master Electrical Component List
Power Door Locks Description and Operation
Key Lock Cylinder Switches and Door Lock Switches
Lock and Unlock Relays
Lock and Unlock Relays
Figure
3:
Key Lock Cylnider Switches and Door Lock Switches
Master Electrical Component List
Power Door Locks Description and Operation
Door Lock Mirrors
G201
G201
IG Fuse
H/L, HTR, IG, and Lamp Fuses
Lock and Unlock Relays
Lock and Unlock Relays
Lock and Unlock Relays