GM Service Manual Online
For 1990-2009 cars only
Makes
🢒
Chevrolet
🢒
2001
🢒
Tracker - 2WD
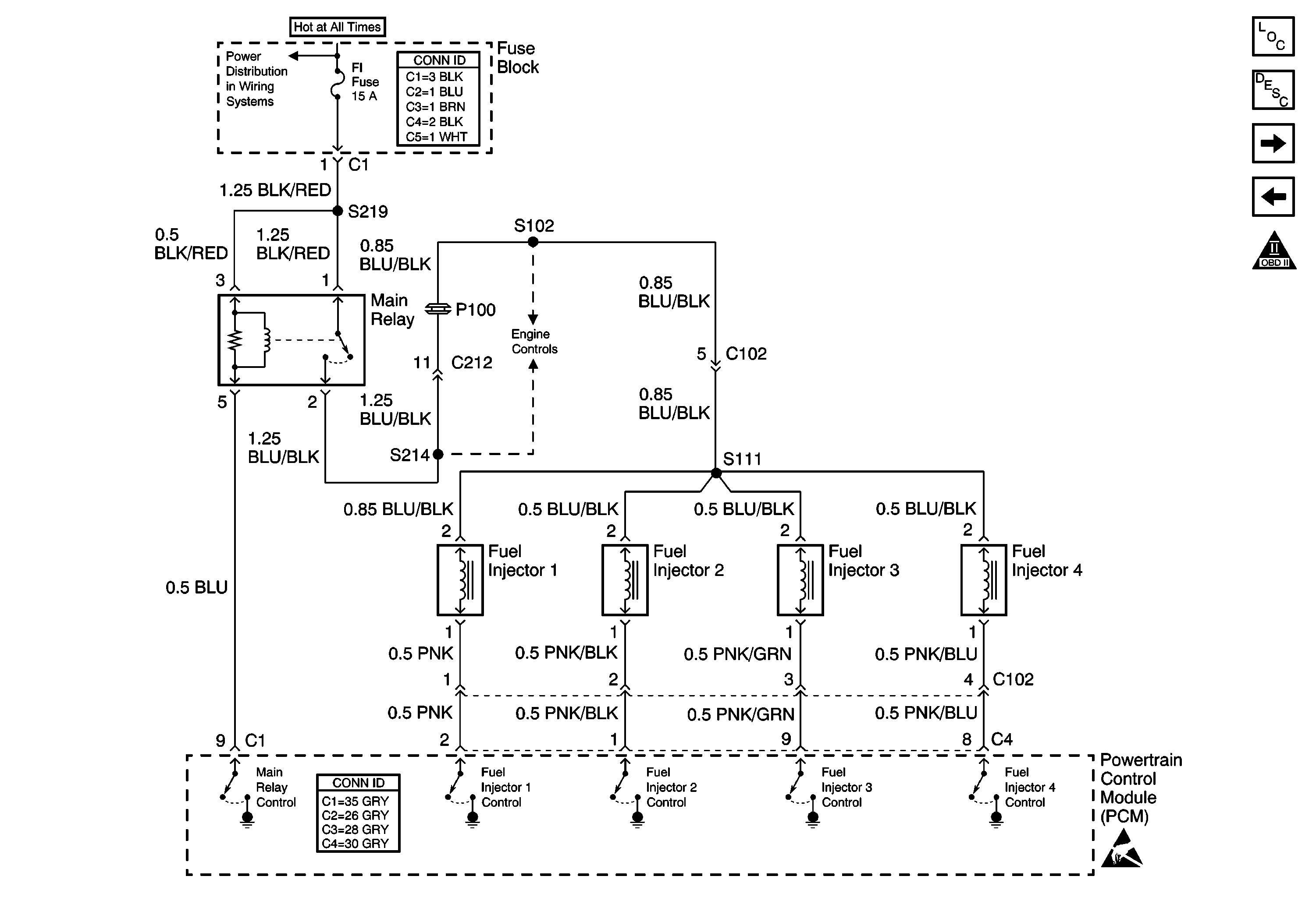
🢒 FUEL INJECTORS
FUEL INJECTORS
FUEL INJECTORS
Master Electrical Component List
Engine Data Sensors
FUEL PUMP RELAY, FUEL SENDER ASSEMBLY
BATT, ABS, FI and ACC Fuses