GM Service Manual Online
For 1990-2009 cars only
Makes
🢒
Chevrolet
🢒
2001
🢒
Tracker - 2WD
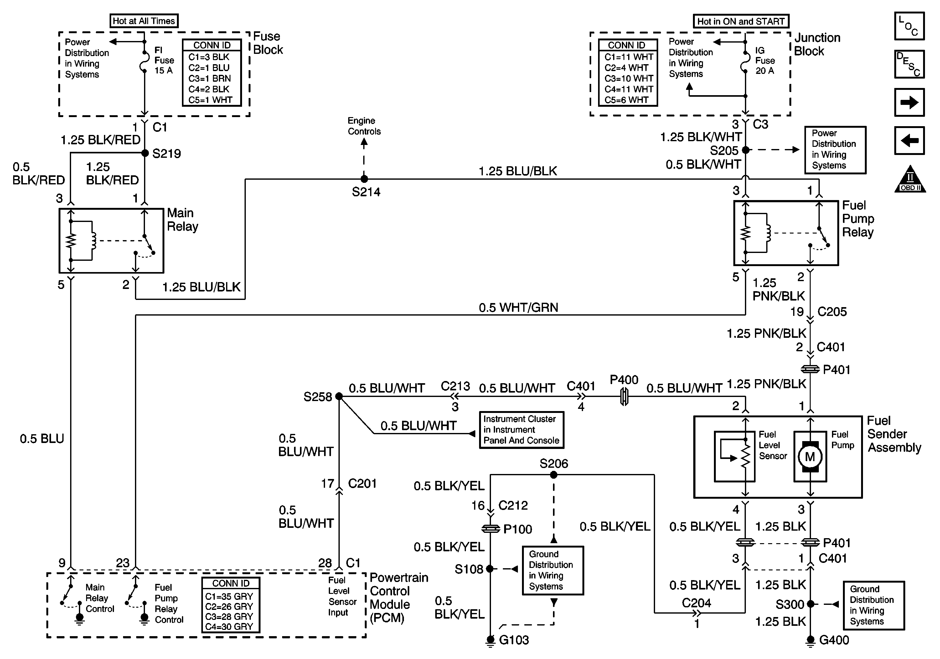
🢒 FUEL PUMP RELAY, FUEL SENDER ASSEMBLY
FUEL PUMP RELAY, FUEL SENDER ASSEMBLY
FUEL PUMP RELAY, FUEL SENDER ASSEMBLY
Master Electrical Component List
FUEL INJECTORS
CRANKSHAFT POSITION SENSOR, CAMSHAFT POSITION SENSOR (CMP)
G400 and G401
IG Fuse
H/L, HTR, IG, and Lamp Fuses
Oil Pressure Switch, (ECT) Sensor
G103
BATT, ABS, FI and ACC Fuses