GM Service Manual Online
For 1990-2009 cars only
Makes
🢒
Chevrolet
🢒
2001
🢒
Tracker - 2WD
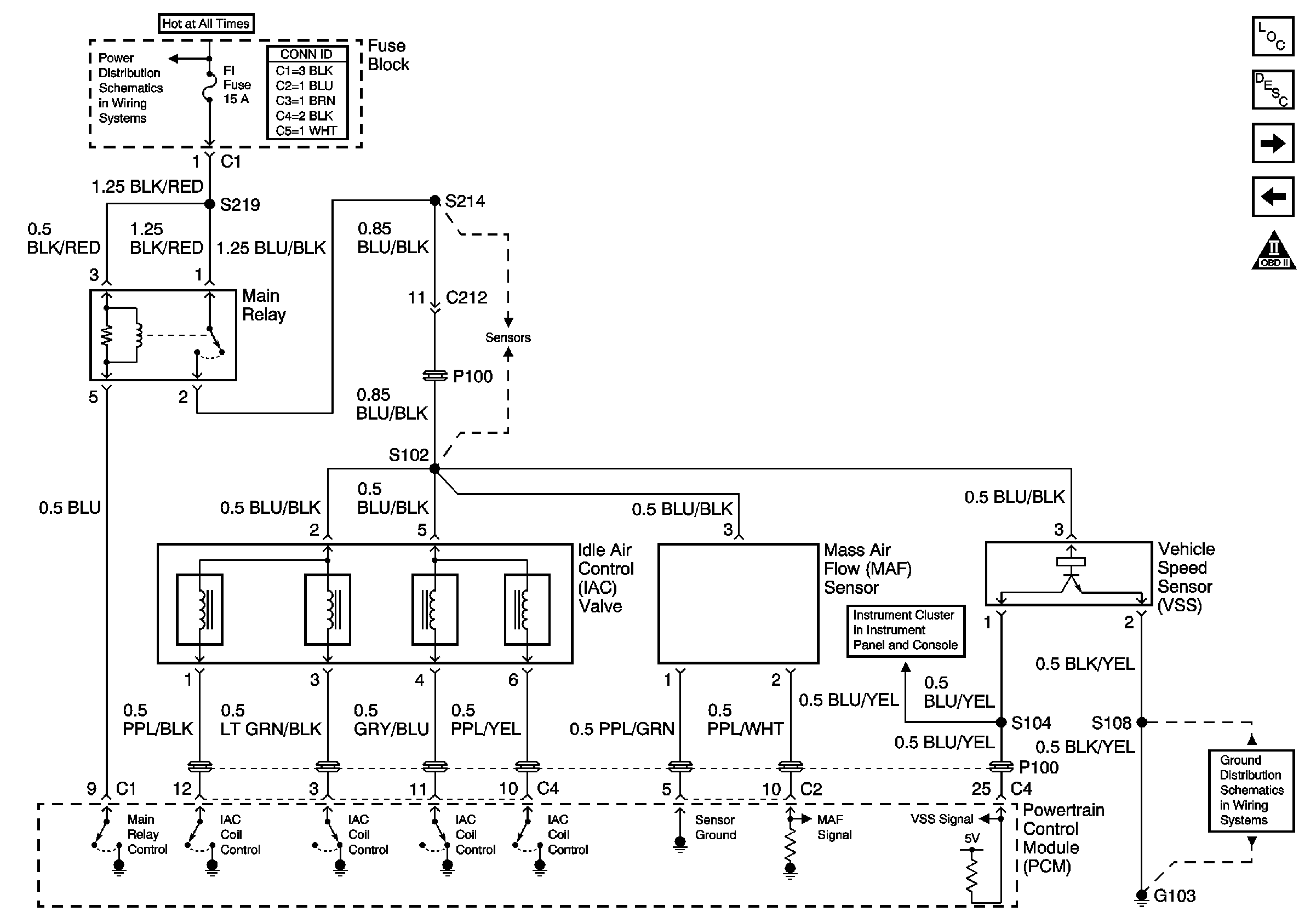
🢒 Idle Air Control (IAC) Valve, Mass Air Flow (MAF) Sensor, Vehicle SPeED Sensor (VSS)
Idle Air Control (IAC) Valve, Mass Air Flow (MAF) Sensor, Vehicle SPeED Sensor (VSS)
Idle Air Control (IAC) Valve, Mass Air Flow (MAF) Sensor, Vehicle Speed Sensor (VSS)
Master Electrical Component List
Exhaust Gas Recirculation (EGR) Valve and EVAP Solenoids
Heated Oxygen Sensors
OBD II Symbol Description Notice
G103
Cruise Control Servo, VSS
BATT, ABS, FI and ACC Fuses