GM Service Manual Online
For 1990-2009 cars only
Makes
🢒
Chevrolet
🢒
2001
🢒
Tracker - 2WD
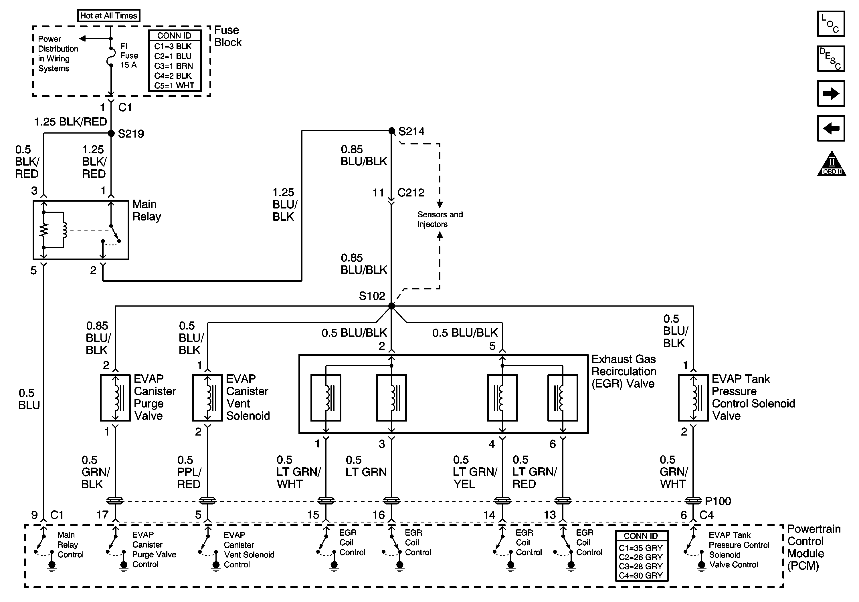
🢒 Exhaust Gas Recirculation (EGR) Valve and EVAP Solenoids
Exhaust Gas Recirculation (EGR) Valve and EVAP Solenoids
Exhaust Gas Recirculation (EGR) Valve and EVAP Solenoids
Master Electrical Component List
FRONT DRIVE AXLE ACTUATOR PUMP
Idle Air Control (IAC) Valve, Mass Air Flow (MAF) Sensor, Vehicle SPeED Sensor (VSS)
BATT, ABS, FI and ACC Fuses