GM Service Manual Online
For 1990-2009 cars only
Makes
🢒
Chevrolet
🢒
2001
🢒
Tracker - 2WD
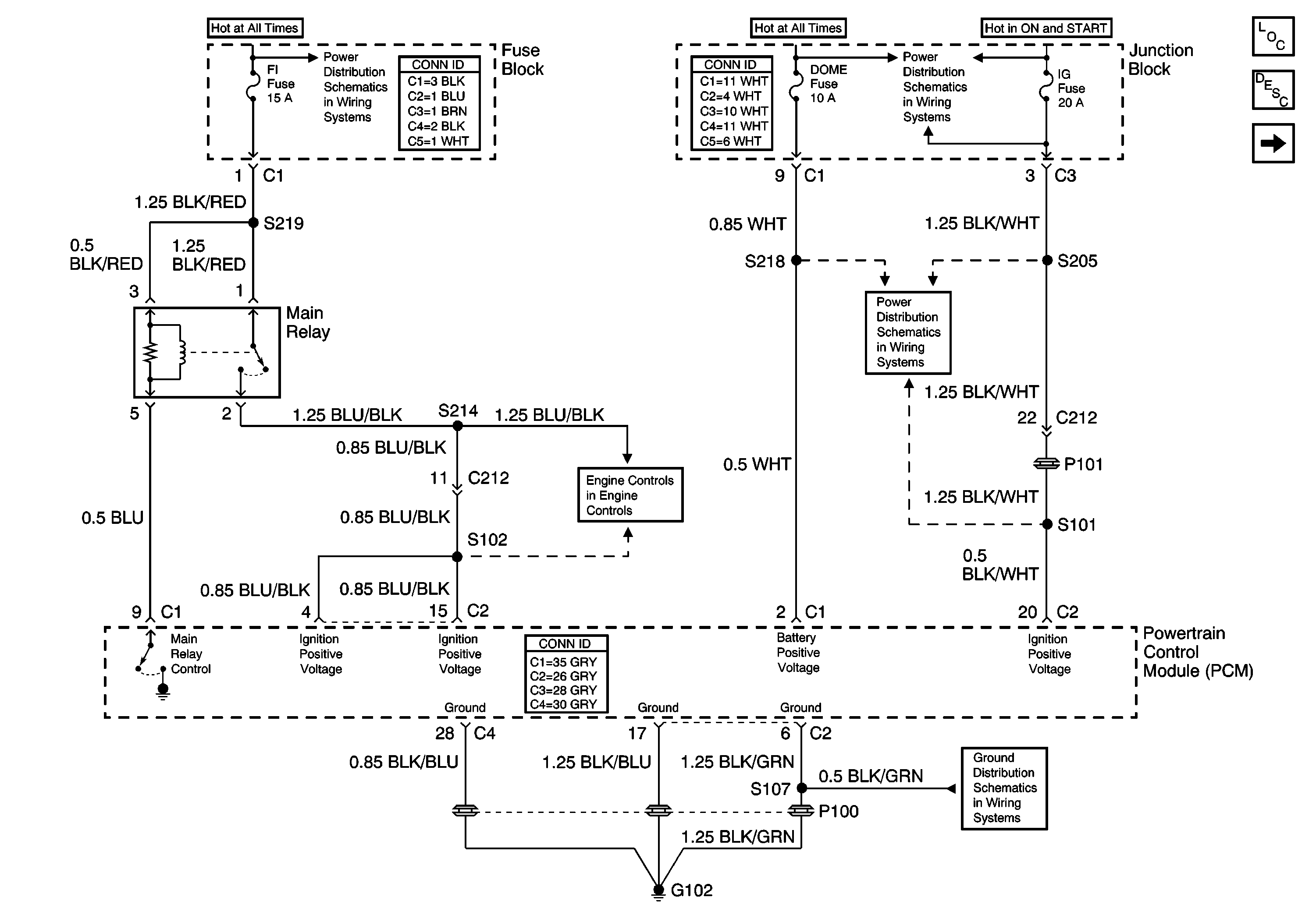
🢒 Main Relay, Powertrain Control Module (PCM) Power and Ground
Main Relay, Powertrain Control Module (PCM) Power and Ground
Main Relay, Powertrain Control Module (PCM) Power and Ground
Master Electrical Component List
Data Link Connector (DLC) and Malfunction Indicator Lamp (MIL)
G100, G101 and G102
IG Fuse
HAZ, D/L, TAIL, Stop and Dome Fuses
CRANKSHAFT POSITION SENSOR, CAMSHAFT POSITION SENSOR (CMP)
BATT, ABS, FI and ACC Fuses