GM Service Manual Online
For 1990-2009 cars only
Makes
🢒
Chevrolet
🢒
2001
🢒
Tracker - 2WD
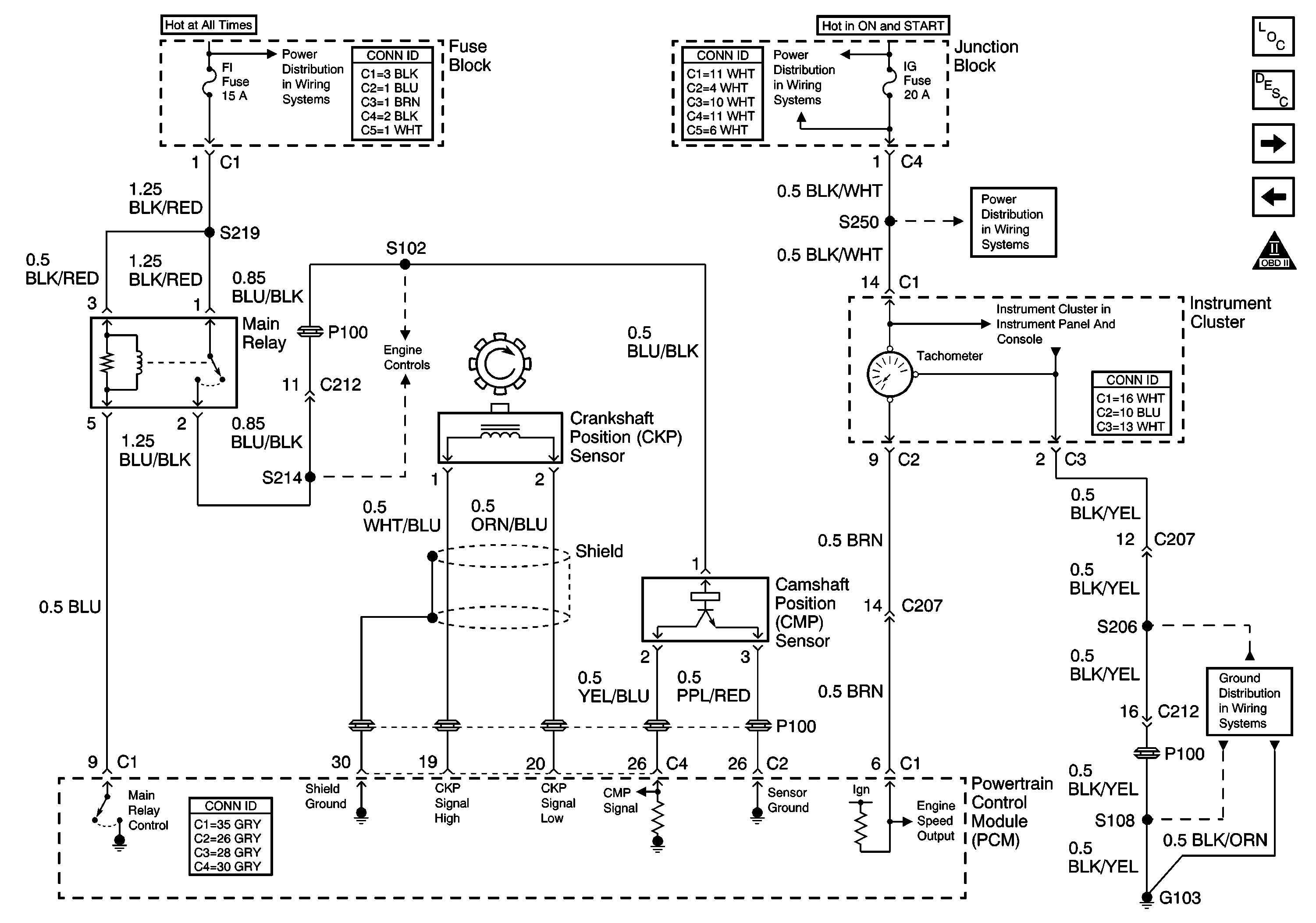
🢒 CRANKSHAFT POSITION SENSOR, CAMSHAFT POSITION SENSOR (CMP)
CRANKSHAFT POSITION SENSOR, CAMSHAFT POSITION SENSOR (CMP)
CRANKSHAFT POSITION SENSOR, CAMSHAFT POSITION SENSOR (CMP)
Master Electrical Component List
FUEL PUMP RELAY, FUEL SENDER ASSEMBLY
IGNITION COILS, CPP SWITCH
G103
Oil Pressure Switch, (ECT) Sensor
IG, Turn and WIP Fuses
H/L, HTR, IG, and Lamp Fuses
BATT, ABS, FI and ACC Fuses