GM Service Manual Online
For 1990-2009 cars only
Makes
🢒
Chevrolet
🢒
2001
🢒
Tracker - 2WD
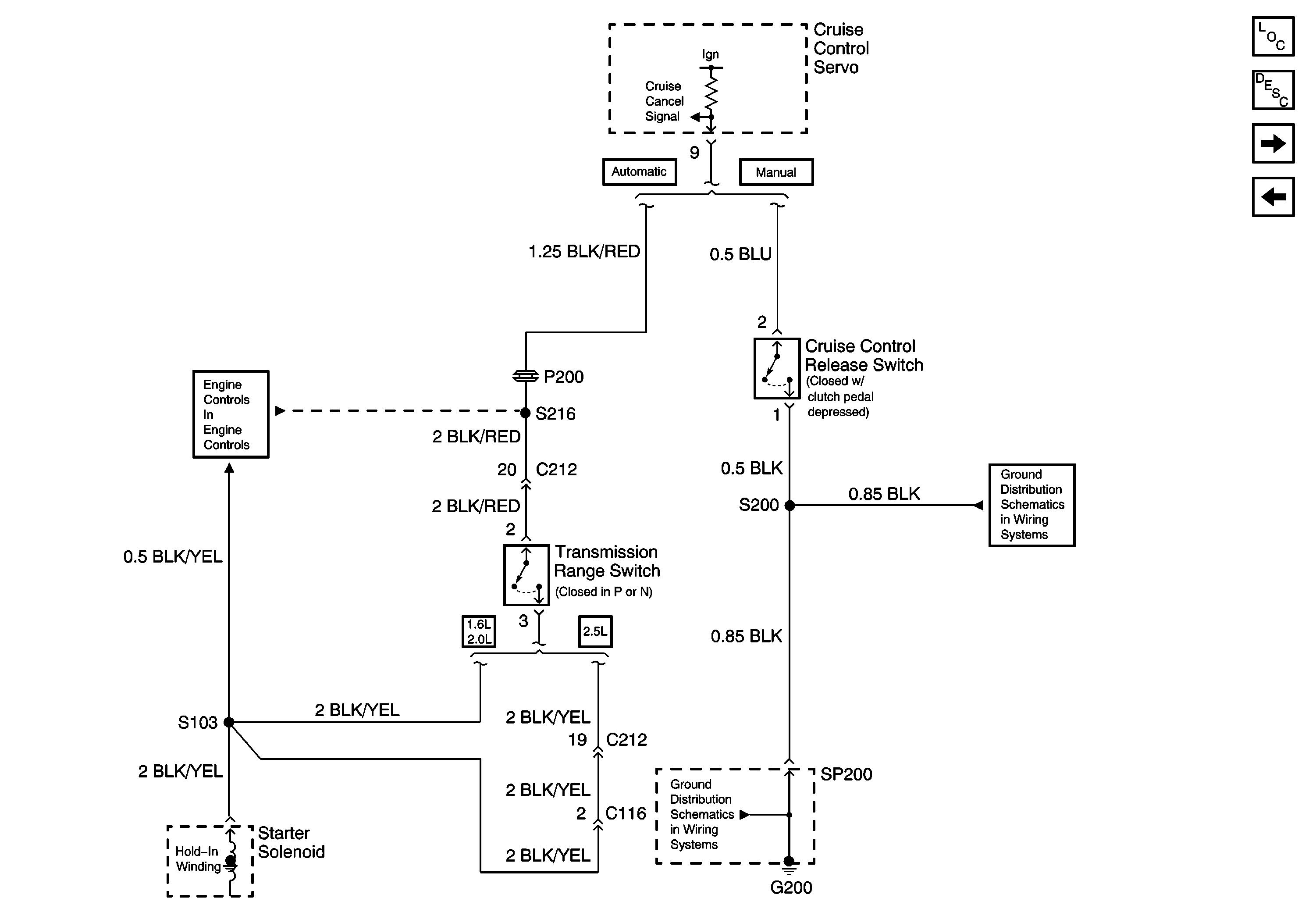
🢒 Cruise Control Release Switch and Transmission Range Switch
Cruise Control Release Switch and Transmission Range Switch
Cruise Control Release Switch and Transmission Range Switch
Master Electrical Component List
Cruise Control Description and Operation
Cruise Indicator, Cruise Control Mode Switch, and Main Cruise Control Switch
G104, Stop Fuse, Stop Lamp Switch, and F1 Fuse
G200 (1 of 2)
G200 (1 of 2)
CPP Switch, (TR) Switch