GM Service Manual Online
For 1990-2009 cars only
Makes
🢒
Chevrolet
🢒
2001
🢒
Tracker - 2WD
🢒 NO TITLE DEFOGGER
NO TITLE DEFOGGER
Master Electrical Component List
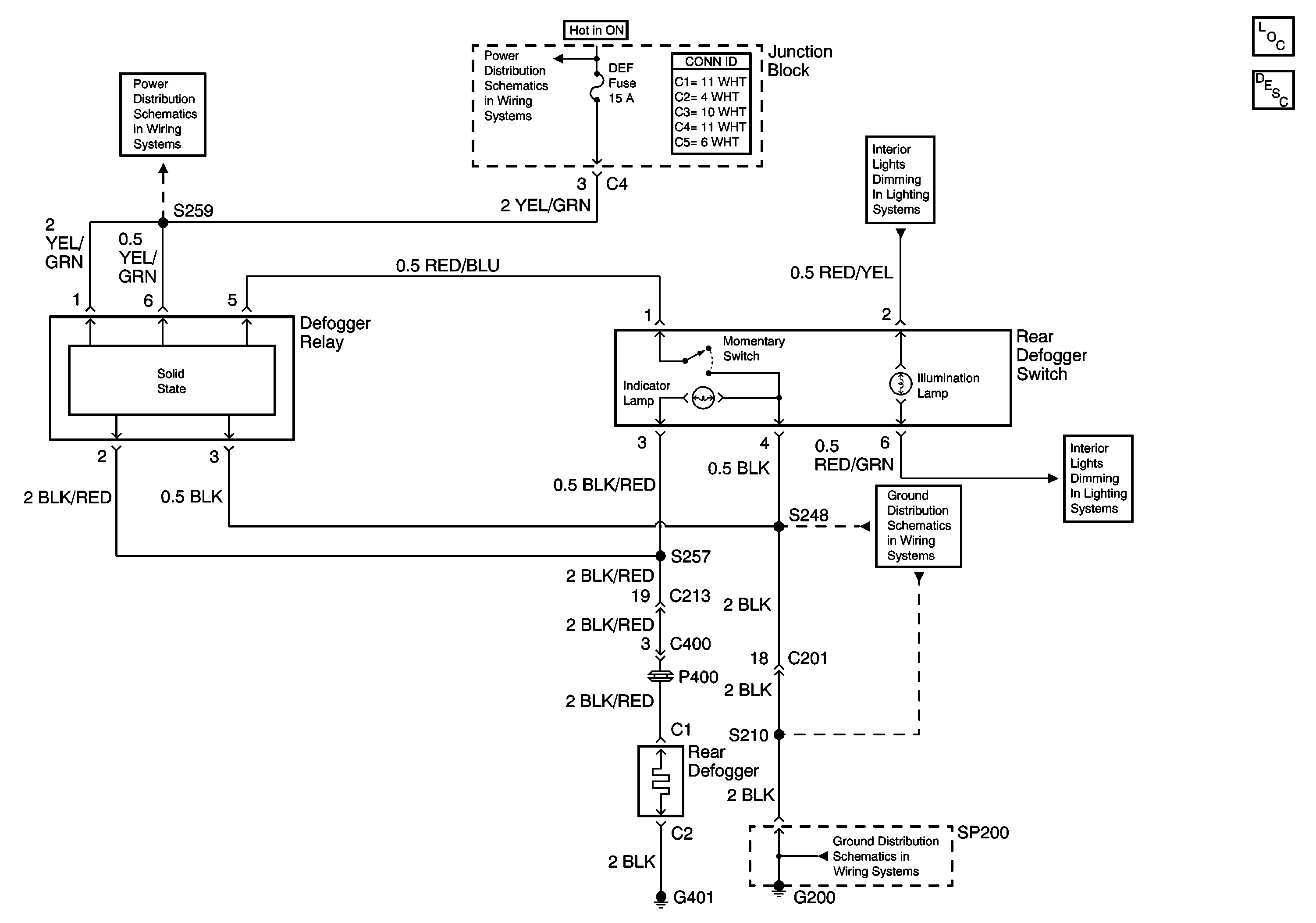
Rear Window Defogger Description and Operation
IP Lamp Dimmer Control, Shift Indicator Lamp
G200 (2 of 2)
G200 (1 of 2)
IP Lamp Dimmer Control, Shift Indicator Lamp
CIG, DEF and P/W Fuses
CIG, DEF and P/W Fuses