GM Service Manual Online
For 1990-2009 cars only
Makes
🢒
Chevrolet
🢒
2001
🢒
Tracker - 2WD
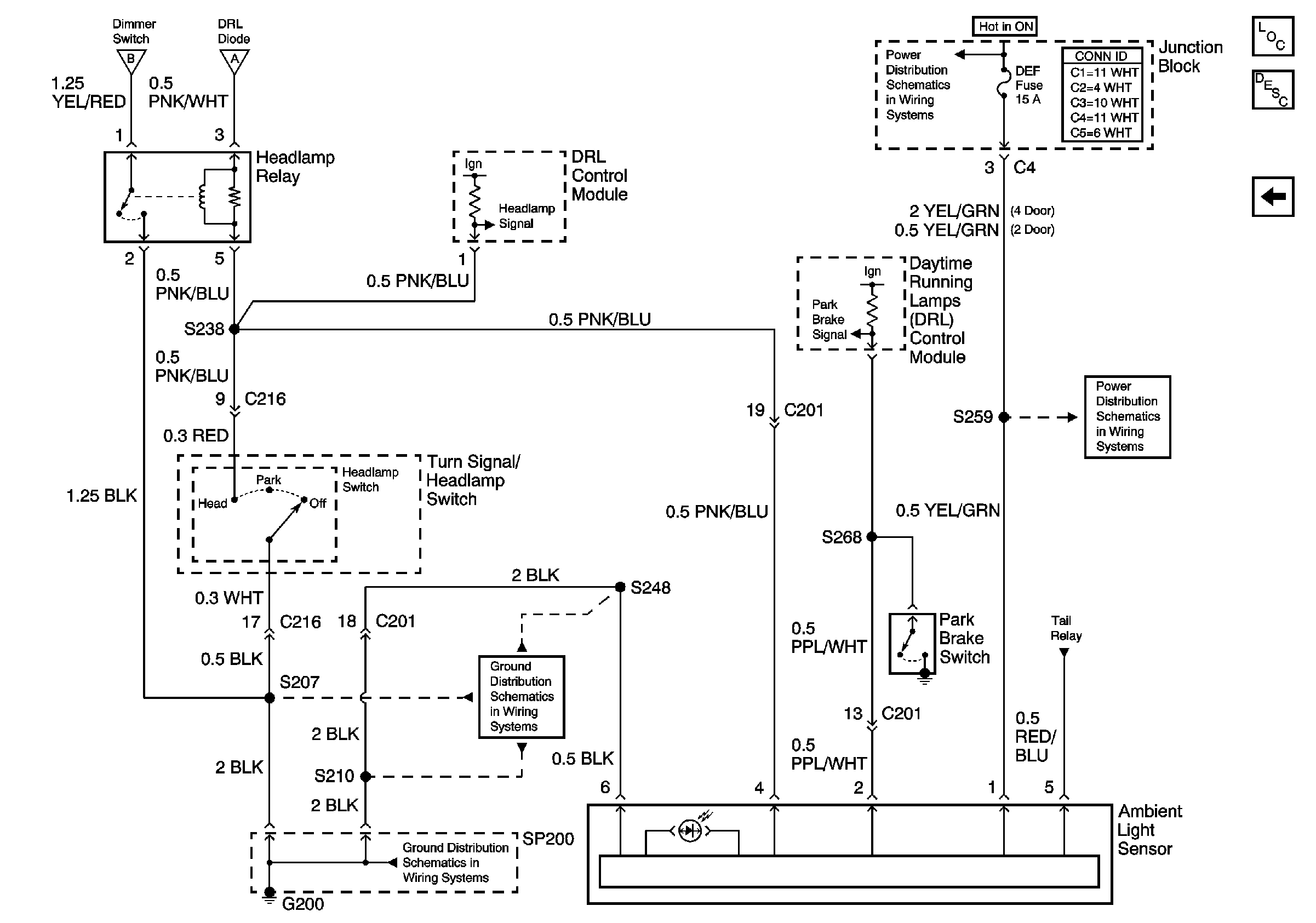
🢒 Headlamp Relay, Ambient Light Sensor
Headlamp Relay, Ambient Light Sensor
Headlamp Relay, Ambient Light Sensor
Master Electrical Component List
Exterior Lighting Systems Description and Operation
Headlamps, (DRL) Diode
CIG, DEF and P/W Fuses
CIG, DEF and P/W Fuses
SP259
SP259
Headlamps, (DRL) Diode
Headlamps, (DRL) Diode