GM Service Manual Online
For 1990-2009 cars only
Makes
🢒
Chevrolet
🢒
2001
🢒
Tracker - 2WD
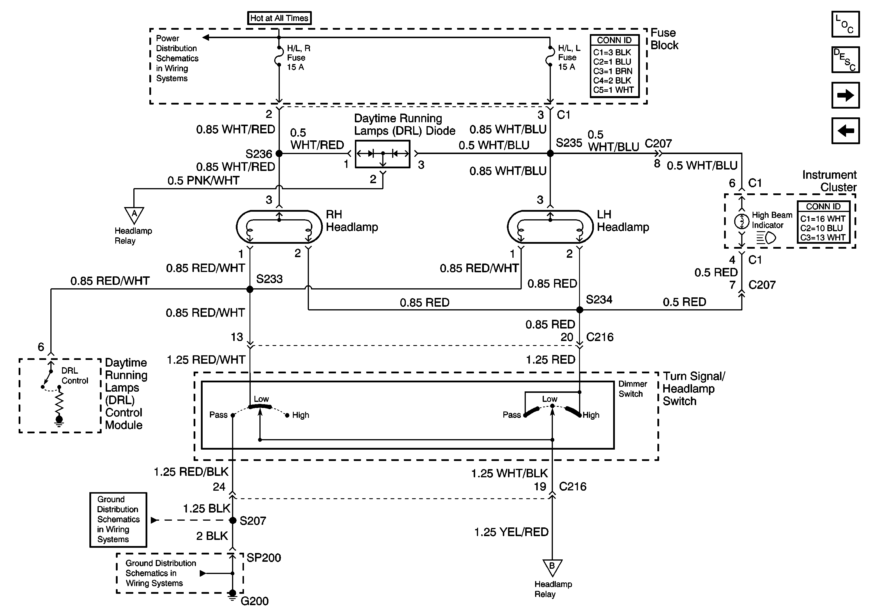
🢒 Headlamps, (DRL) Diode
Headlamps, (DRL) Diode
Headlamps, (DRL) Diode
Master Electrical Component List
Exterior Lighting Systems Description and Operation
Headlamp Relay, Ambient Light Sensor
Park Brake Switch (DRL)
G200 (1 of 2)
G200 (1 of 2)
H/L, HTR, IG, and Lamp Fuses
Headlamp Relay, Ambient Light Sensor