GM Service Manual Online
For 1990-2009 cars only
Makes
🢒
Chevrolet
🢒
2001
🢒
Tracker - 2WD
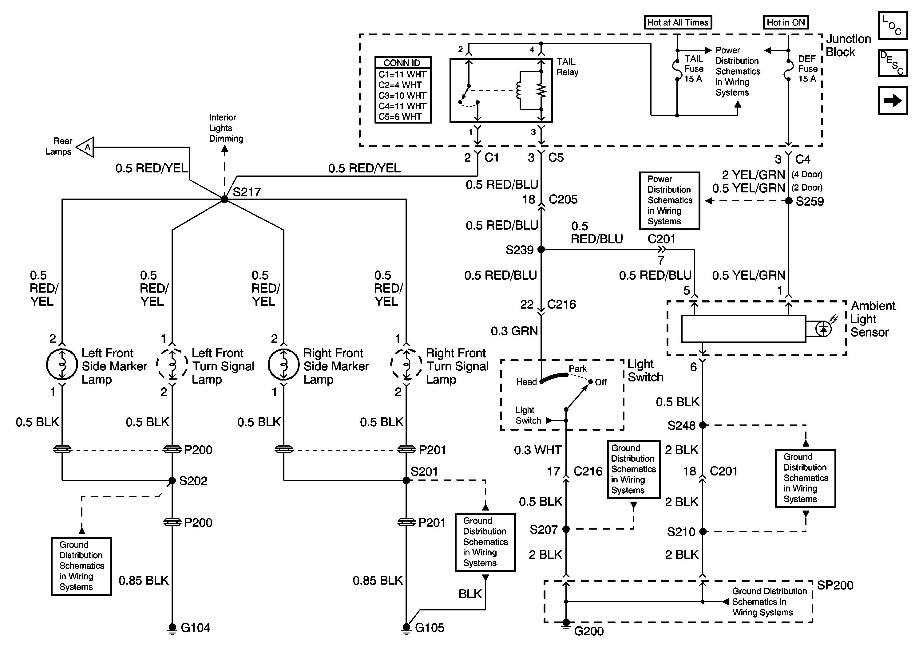
🢒 Side Marker Lamps, Light Switch
Side Marker Lamps, Light Switch
Side Marker Lamps, Light Switch
Master Electrical Component List
Exterior Lighting Systems Description and Operation
Tail Lamps
G200 (1 of 2)
G200 (1 of 2)
G200 (1 of 2)
CIG, DEF and P/W Fuses
CIG, DEF and P/W Fuses
G105
G104
Tail Lamps