GM Service Manual Online
For 1990-2009 cars only
Makes
🢒
Chevrolet
🢒
2001
🢒
Tracker - 2WD
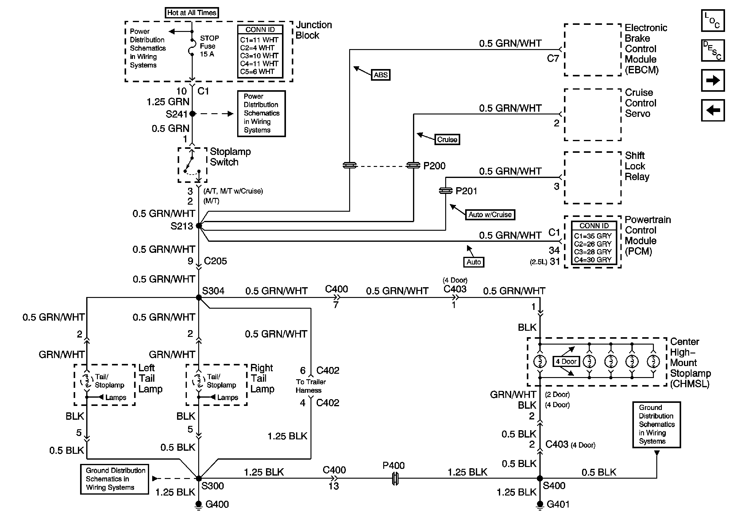
🢒 Center High Mount Stoplamp (CHMSL)
Center High Mount Stoplamp (CHMSL)
Center High Mount Stoplamp (CHMSL)
Master Electrical Component List
Exterior Lighting Systems Description and Operation
Turn Signal Lamps
G400 and G401
G400 and G401
HAZ, D/L, TAIL, Stop and Dome Fuses
HAZ, D/L, TAIL, Stop and Dome Fuses