GM Service Manual Online
For 1990-2009 cars only
Makes
🢒
Chevrolet
🢒
2001
🢒
Tracker - 2WD
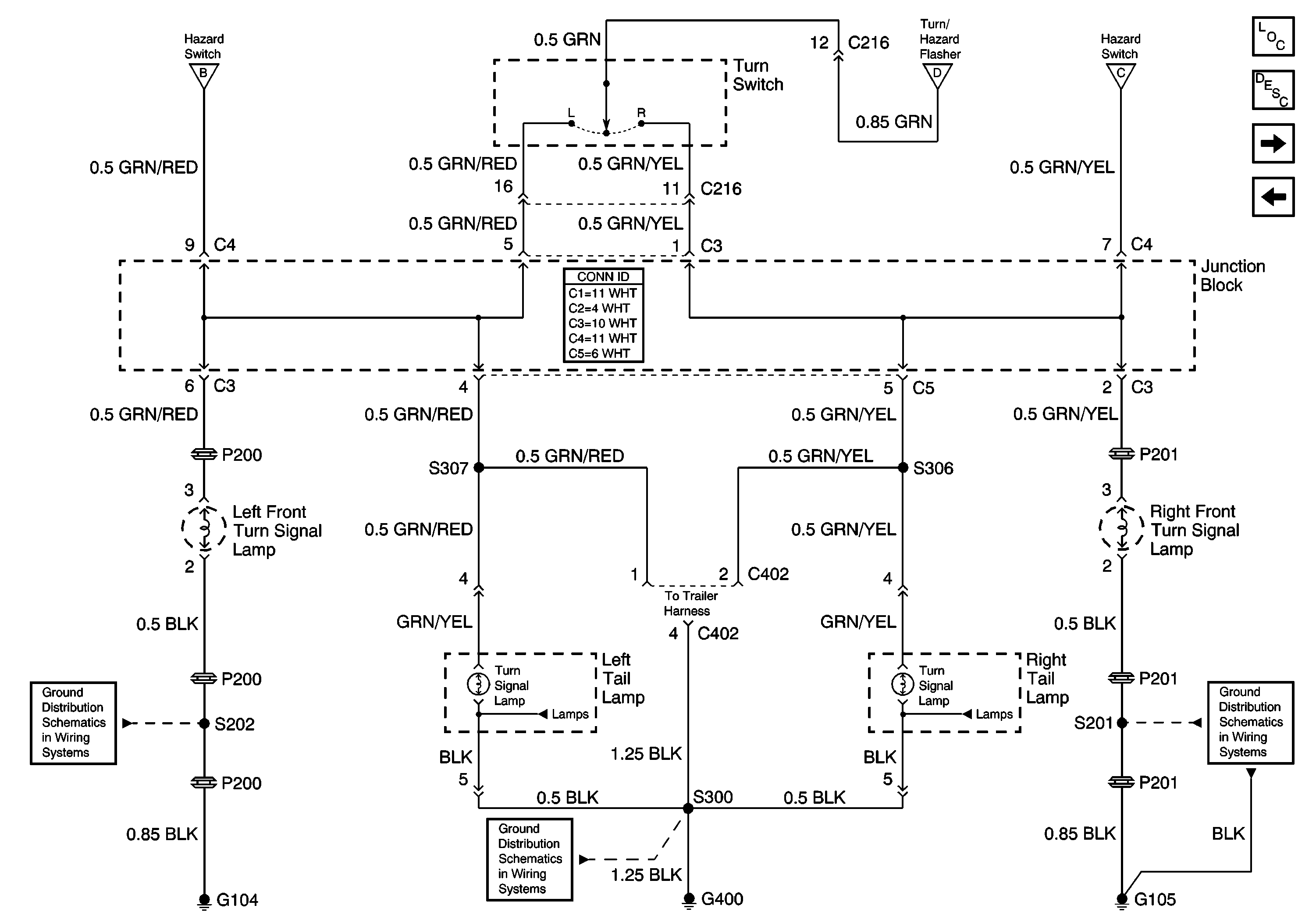
🢒 Turn Signal Lamps
Turn Signal Lamps
Turn Signal Lamps
Master Electrical Component List
Exterior Lighting Systems Description and Operation
Center High Mount Stoplamp (CHMSL)
Hazard Switch, Turn/Hazard Flasher
G105
Hazard Switch, Turn/Hazard Flasher
Hazard Switch, Turn/Hazard Flasher
G400 and G401
G104