GM Service Manual Online
For 1990-2009 cars only
Makes
🢒
Chevrolet
🢒
2003
🢒
Tracker - 2WD
🢒
Body and Accessories
🢒
Wipers/Washer Systems
🢒 Wiper/Washer Schematics
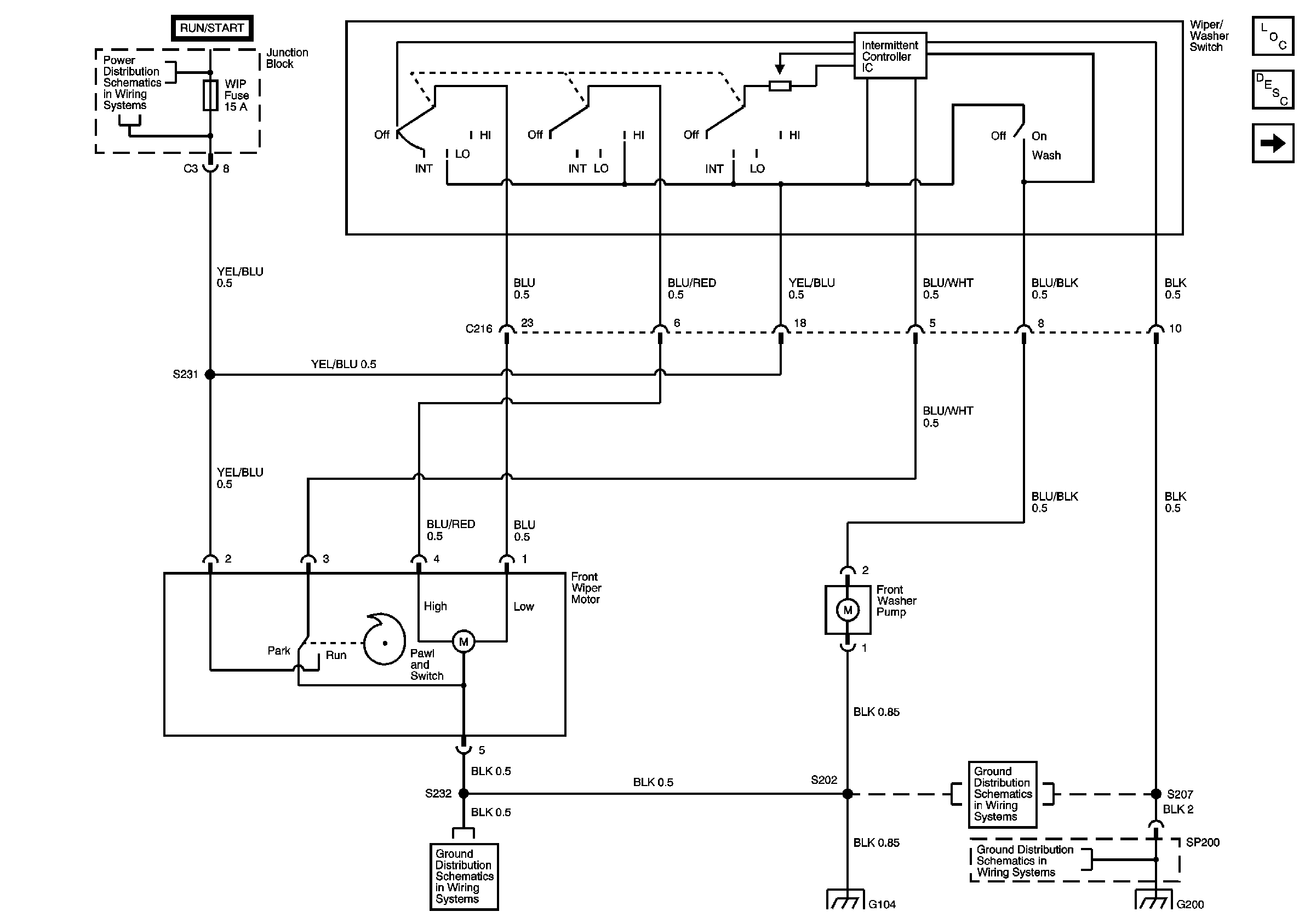
Figure
1:
Front Wiper System
Master Electrical Component List
Wiper/Washer System Description and Operation
Rear Wiper System
TURN, WIP Fuses
G104
G104
G200
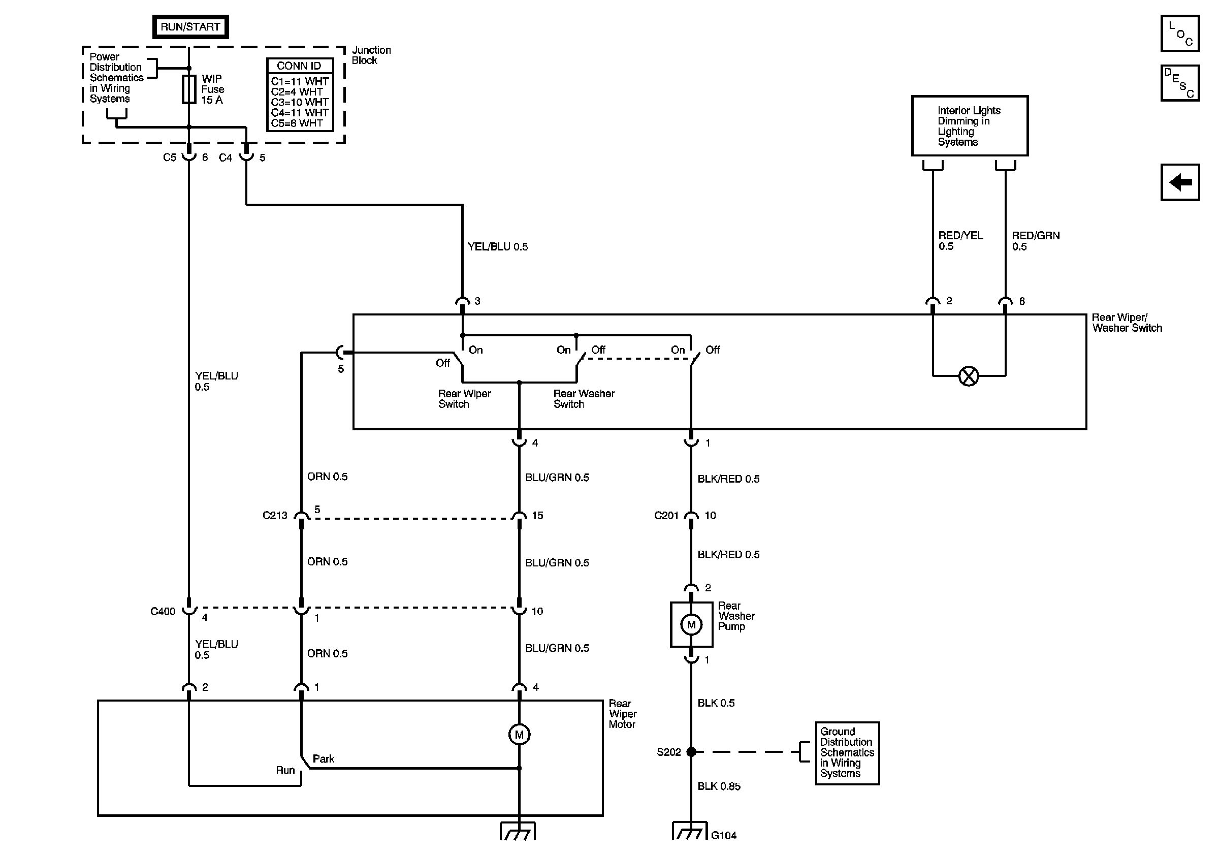
Figure
2:
Rear Wiper System
Master Electrical Component List
Wiper/Washer System Description and Operation
Front Wiper System
TURN, WIP Fuses
Instrument Panel Lamp Dimmer Control
G104