GM Service Manual Online
For 1990-2009 cars only
Makes
🢒
Chevrolet
🢒
2003
🢒
Tracker - 2WD
🢒
Body and Accessories
🢒
Doors
🢒 Door Lock/Indicator Schematics
Figure
1:
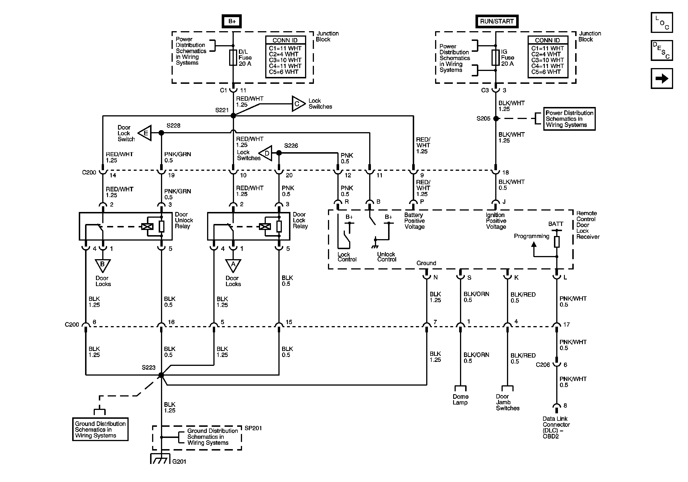
Lock and Unlock Relays, Remote Control Door Lock Receiver
Master Electrical Component List
Power Door Locks Description and Operation
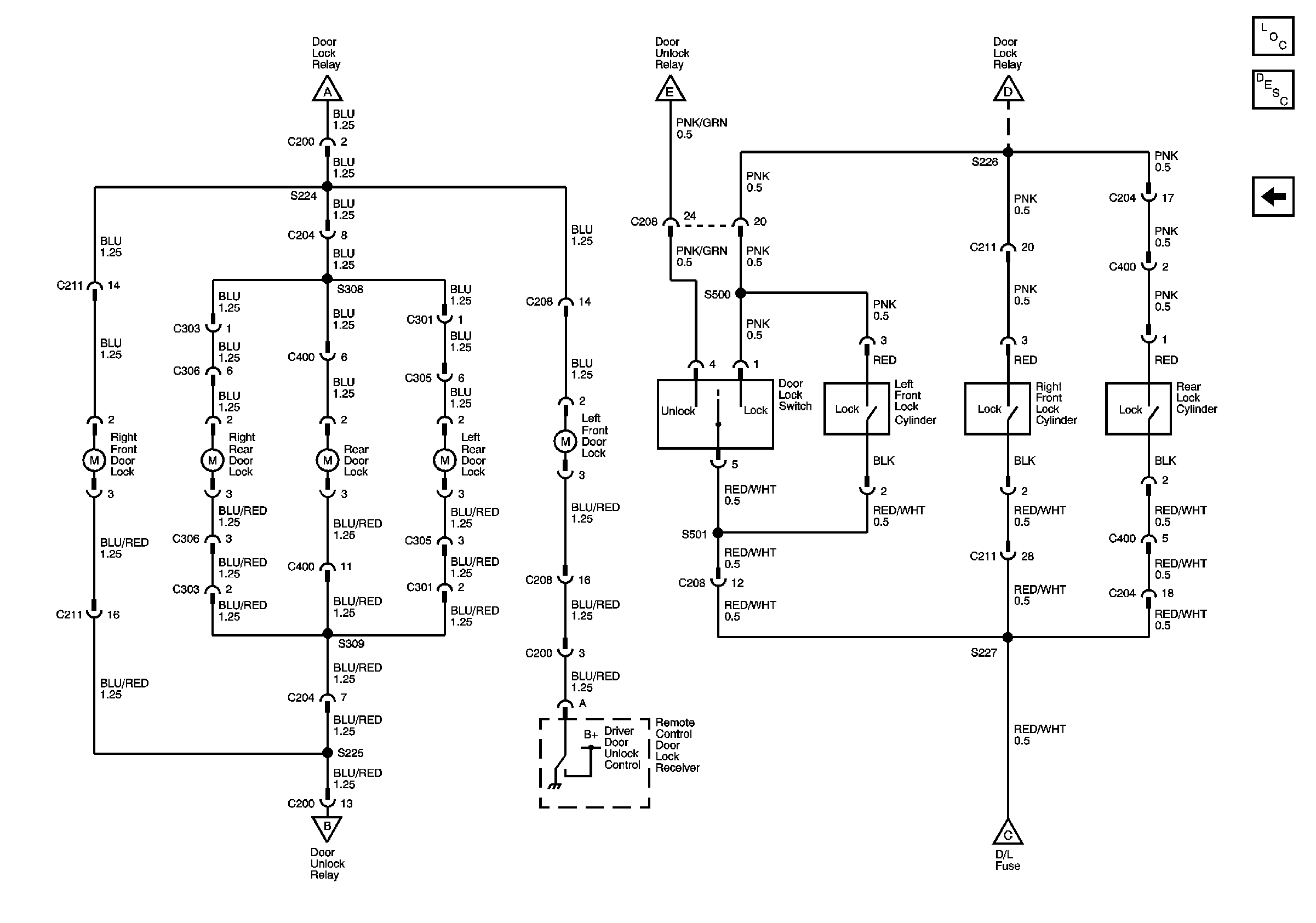
Door Lock Motors, Door Lock Switches, Key Lock Cylinder Switches
G201
G201
HAZ, D/L, TAIL, STOP, DOME Fuses
IG Fuse
IG Fuse
Figure
2:
Door Lock Motors, Door Lock Switches, Key Lock Cylinder Switches
Master Electrical Component List
Power Door Locks Description and Operation
Lock and Unlock Relays, Remote Control Door Lock Receiver