GM Service Manual Online
For 1990-2009 cars only
Makes
🢒
Chevrolet
🢒
2003
🢒
Tracker - 2WD
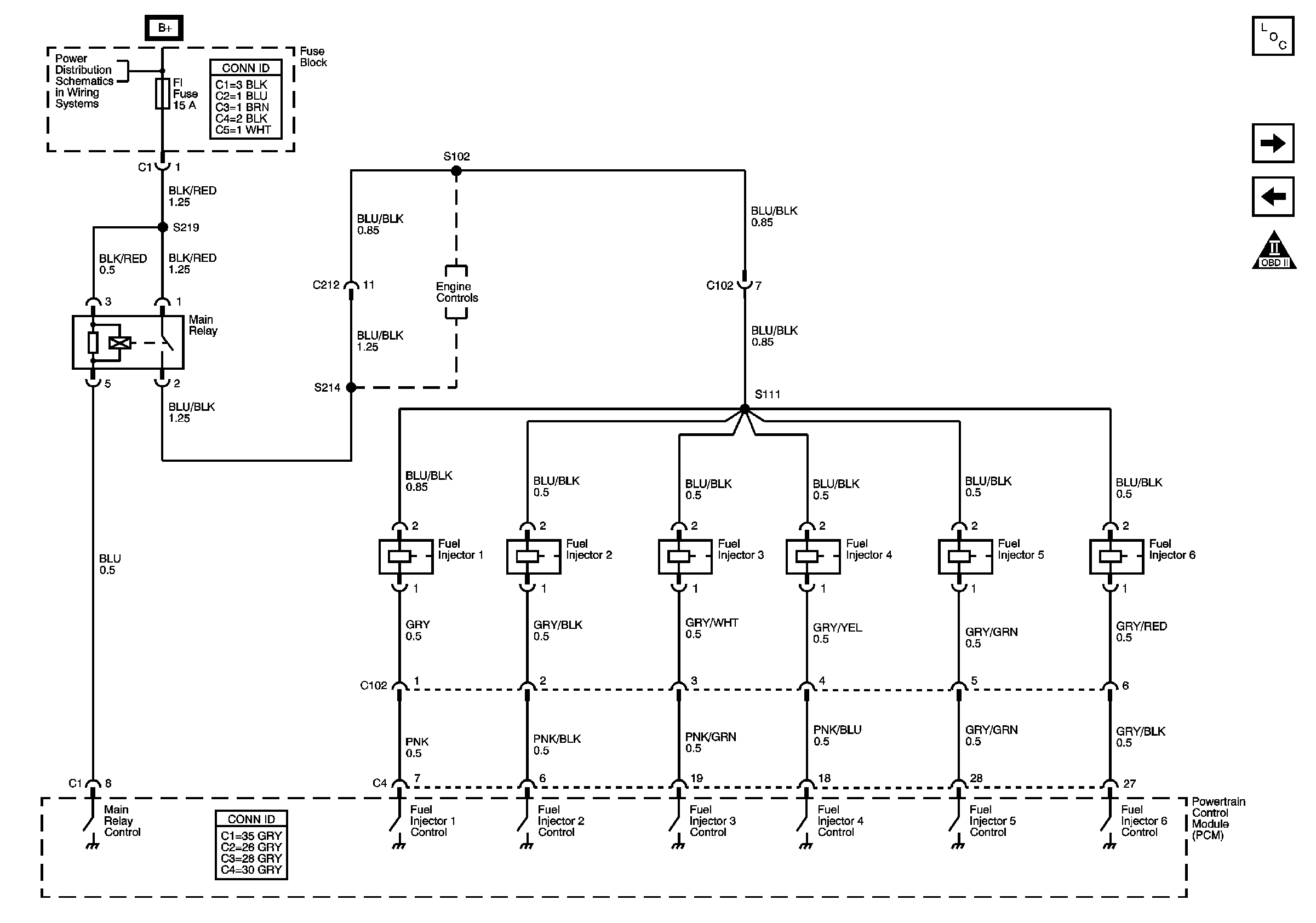
🢒 Fuel Injectors
Fuel Injectors
Fuel Injectors
Master Electrical Component List
ECT, TPS, MAP, FTP, IAT Sensors
Ignition Coils
OBD II Symbol Description Notice
BATT, ABS, FI, ACC Fuses