GM Service Manual Online
For 1990-2009 cars only
Makes
🢒
Chevrolet
🢒
2003
🢒
Tracker - 2WD
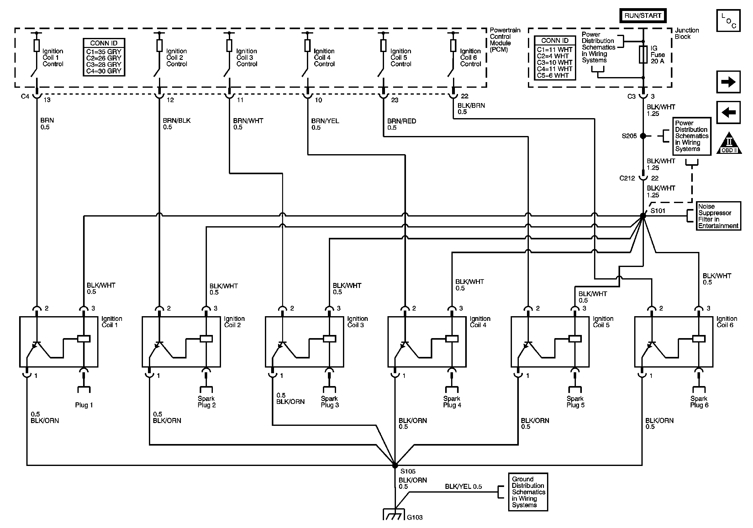
🢒 Ignition Coils
Ignition Coils
Ignition System
Master Electrical Component List
Fuel Injectors
Idle Air Control (IAC) Valve, Mass Air Flow (MAF) Sensor, Vehicle Speed Sensor
OBD II Symbol Description Notice
IG Fuse
IG Fuse
Entertainment Schematics
G103