GM Service Manual Online
For 1990-2009 cars only
Makes
🢒
Chevrolet
🢒
2003
🢒
Tracker - 2WD
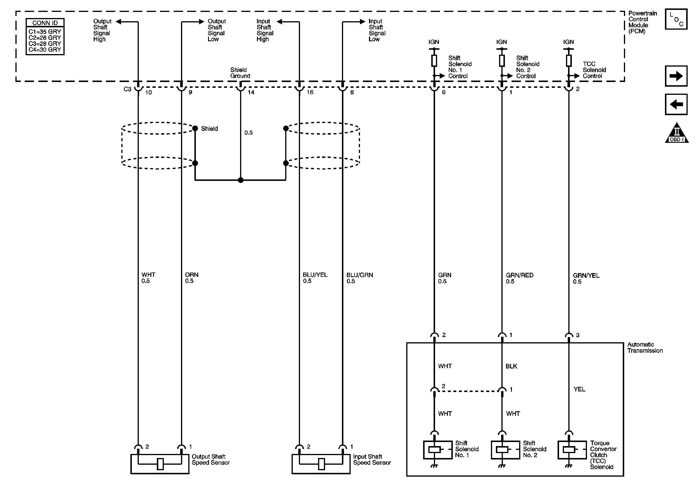
🢒 Output Shaft Speed Sensor, Input Shaft Speed Sensor, TCC Solenoid
Output Shaft Speed Sensor, Input Shaft Speed Sensor, TCC Solenoid
Output Shaft Speed Sensor, Input Shaft Speed Sensor, Torque Converter Clutch (TCC) Solenoid
Master Electrical Component List
Shift Program Switch, Overdrive Switch
Transmission Range Switch
OBD II Symbol Description Notice