GM Service Manual Online
For 1990-2009 cars only
Makes
🢒
Chevrolet
🢒
2003
🢒
Tracker - 2WD
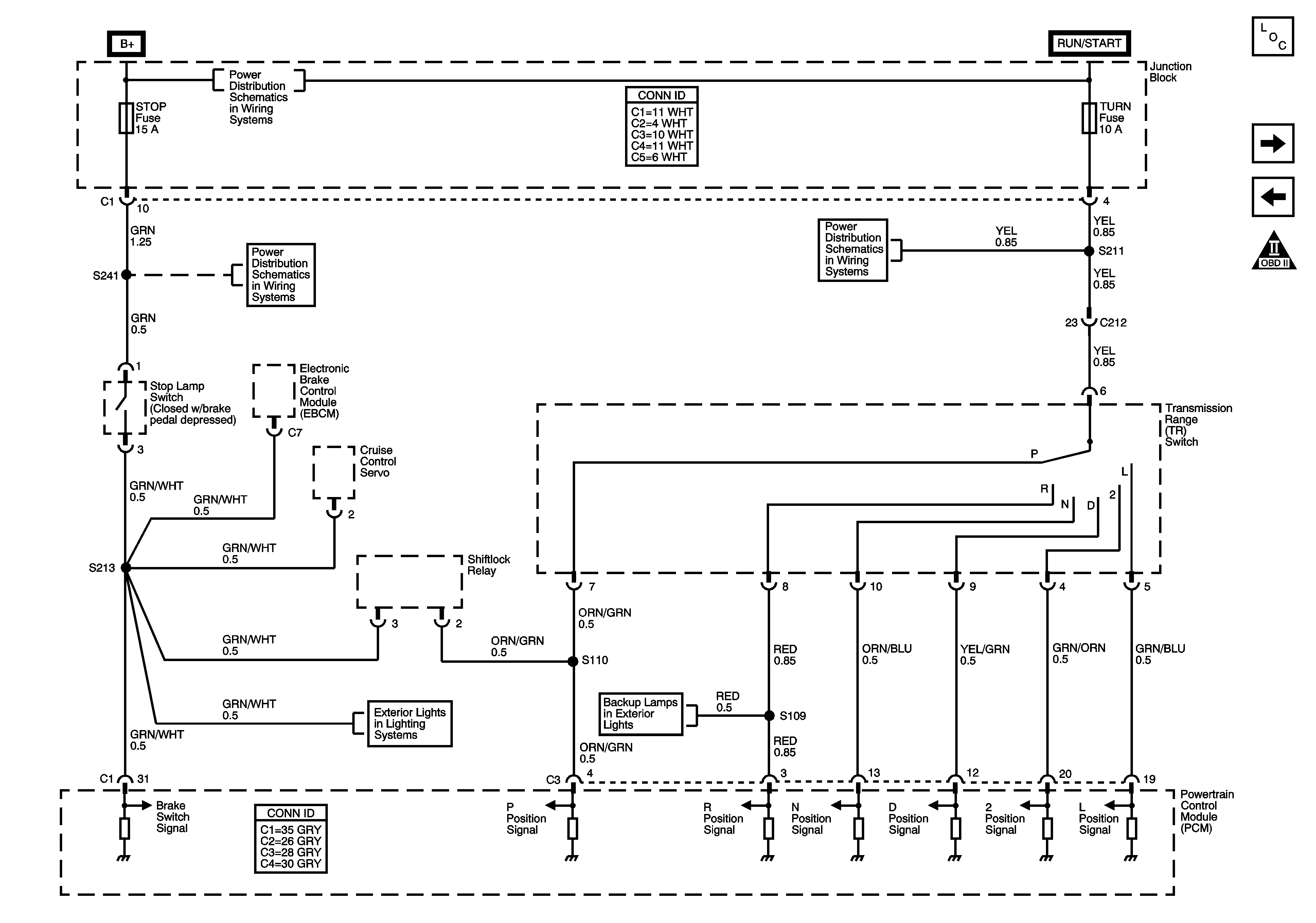
🢒 Transmission Range Switch
Transmission Range Switch
Stoplamp Switch, Transmission Range Switch
Master Electrical Component List
Output Shaft Speed Sensor, Input Shaft Speed Sensor, TCC Solenoid
Four Wheel Drive Switches, Front Drive Axle Actuator Pump
OBD II Symbol Description Notice
HAZ, D/L, TAIL, STOP, DOME Fuses
HAZ, D/L, TAIL, STOP, DOME Fuses
TURN, WIP Fuses
Electronic Brake Control Module (EBCM), Brake Indicator, Stoplamp Switch
Stoplamp Switch, Cruise Control Servo
Shiftlock Control with Cruise Control
Stoplamps Switch, Stoplamps
Backup Lamps, Backup Lamp Switch, Transmission Range Switch