GM Service Manual Online
For 1990-2009 cars only
Makes
🢒
Chevrolet
🢒
2003
🢒
Tracker - 2WD
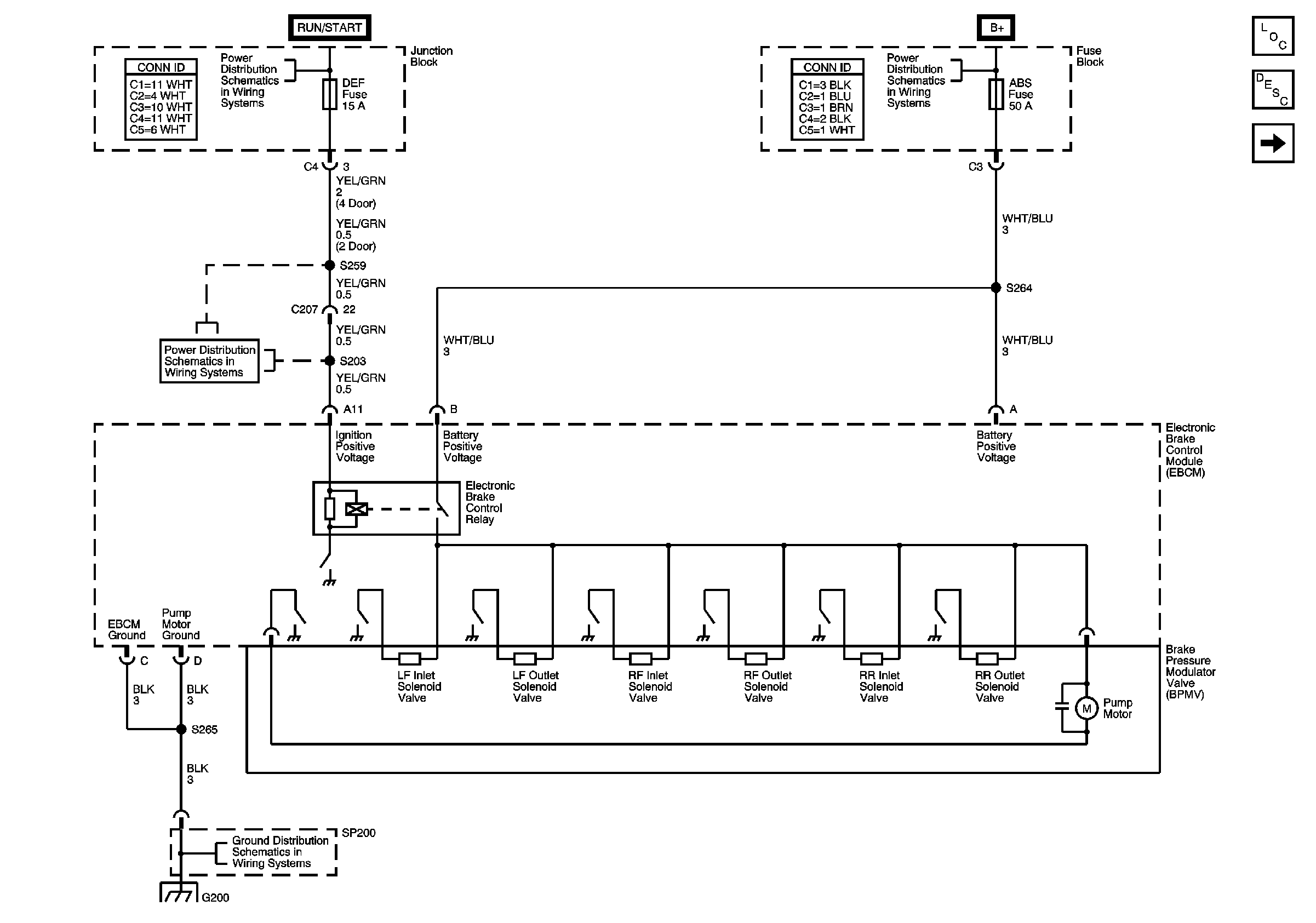
🢒 Electronic Brake Control Module (EBCM) Power and Ground
Electronic Brake Control Module (EBCM) Power and Ground
Electronic Brake Control Module (EBCM) Power and Ground
Master Electrical Component List
ABS Description and Operation
Electronic Brake Control Module (EBCM), ABS Indicator, Accelerometer
CIG, DEF, P/W Fuses
CIG, DEF, P/W Fuses
G200
BATT, ABS, FI, ACC Fuses