GM Service Manual Online
For 1990-2009 cars only
Makes
🢒
Chevrolet
🢒
2003
🢒
Tracker - 2WD
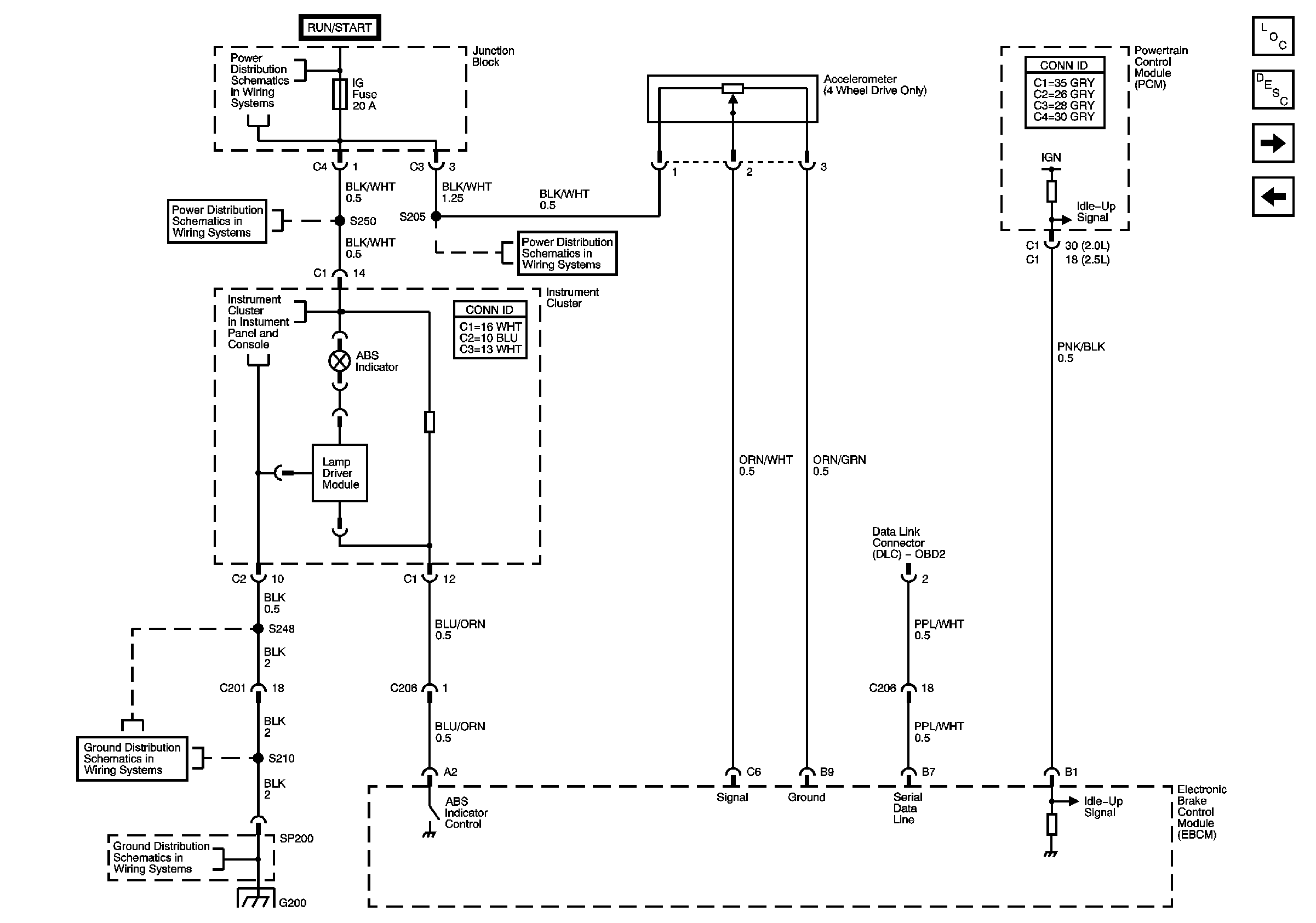
🢒 Electronic Brake Control Module (EBCM), ABS Indicator, Accelerometer
Electronic Brake Control Module (EBCM), ABS Indicator, Accelerometer
Electronic Brake Control Module (EBCM), ABS Indicator, Accelerometer
Master Electrical Component List
ABS Description and Operation
Electronic Brake Control Module (EBCM), Brake Indicator, Stoplamp Switch
Electronic Brake Control Module (EBCM) Power and Ground
TURN, WIP Fuses
TURN, WIP Fuses
ABS, Brake, Seat Belt, Air Bag Indicators
G200
G200
IG Fuse